EasyManua.ls Logo

Hitachi CU-HD500 - Communication and Control Wiring

Hitachi CU-HD500
37 pages
Print Icon
To Next Page IconTo Next Page
To Next Page IconTo Next Page
To Previous Page IconTo Previous Page
To Previous Page IconTo Previous Page
Loading...
17
Service information
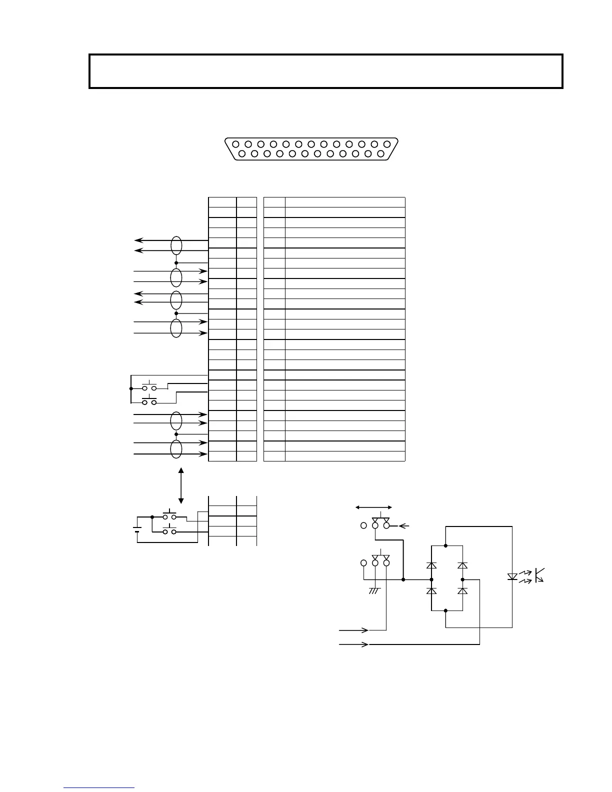
COMMUNICATION (25pin D-sub male:RDBD-25P-LNA(4-40)(55))
1 13
14 25
Plug CU mainframe
Contact
supply
Voltage
supply
Pin
1
2
3
4
5
6
7
8
9
10
11
12
13
14
15
16
17
18
19
20
21
22
23
24
25
Pin
Signal
1
SYS2
2
SYS1
3
SYS0
4
PD OUT (C) 2W : OUT/IN(C)
5
PD OUT (H) 2W : OUT/IN(H)
6
PD SHIELD
7
PD IN (C) 2W : NC
8
PD IN (H) 2W : NC
9
ENG OUT (C) 2W : OUT/IN(C)
10
ENG OUT (H) 2W : OUT/IN(H)
11
ENG SHIELD
12
ENG IN (C) 2W : NC
13
ENG IN (H) 2W : NC
14
GND
15
16
NC
17
TALLY COMMON →TALLY COMM
18
G TALLY IN →G TALLY IN
19
R TALLY IN →R TALLY IN
20
NC
21
PGM2 IN(C)
22
PGM2 IN (H)
23
PGM SHIELD
24
PGM1 IN(C)
25
PGM1 IN (H)
17
18
19
TALLY COMM
Contact
supply
Voltage
supply
TALLY IN
24V
TALLY ; CU internal circuit

Related product manuals