EasyManua.ls Logo

Hitachi NT 65A3 - Page 41

Hitachi NT 65A3
45 pages
Print Icon
To Next Page IconTo Next Page
To Next Page IconTo Next Page
To Previous Page IconTo Previous Page
To Previous Page IconTo Previous Page
Loading...
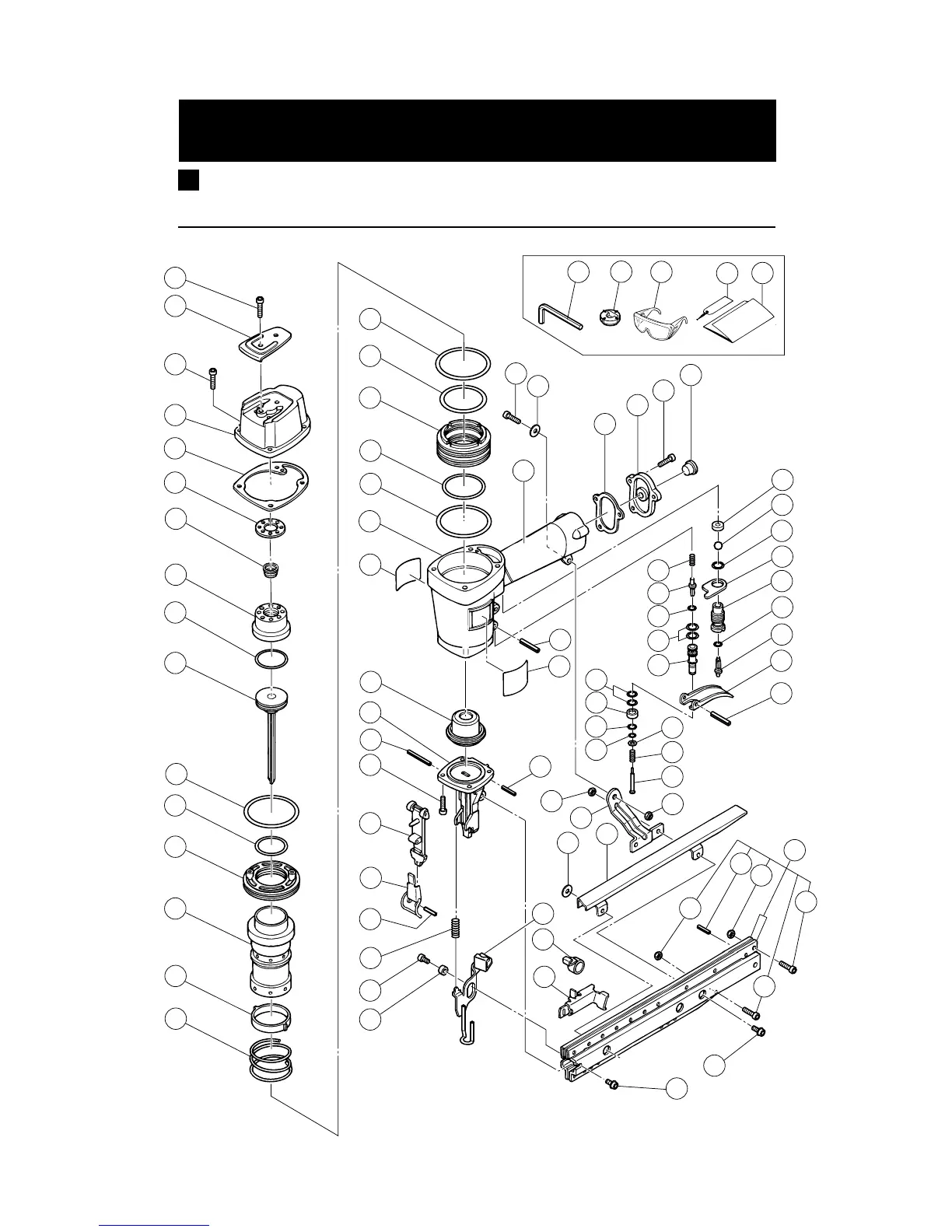
PNEUMATIC TOOL PARTS LIST
LIST NO. E012
FINISH NAILER
Model NT 65A3
2003
8
25
(E1)
Hitachi Power Tools
1
2
3
4
5
6
7
8
9
1
10
10
18
17
31
32
504
505
33
34
35
16
10
11
12
13
30
29
28
27
26
25
24
23
22
21
20
19
14
15
501
502
503
36
37
53
54
55
56
57
43
58
59
60
61
60
60
60
62
64
63
36
36
69
40
32
65
66
67
38
41
38
39
42
43
44
45
46
47
48
49
50
51
52
68

Related product manuals