EasyManua.ls Logo

Hitachi NV 45AB2 - 9-2. Possible Causes and Corrections of Air Leakage

Hitachi NV 45AB2
48 pages
Print Icon
To Next Page IconTo Next Page
To Next Page IconTo Next Page
To Previous Page IconTo Previous Page
To Previous Page IconTo Previous Page
Loading...
--- 21 ---
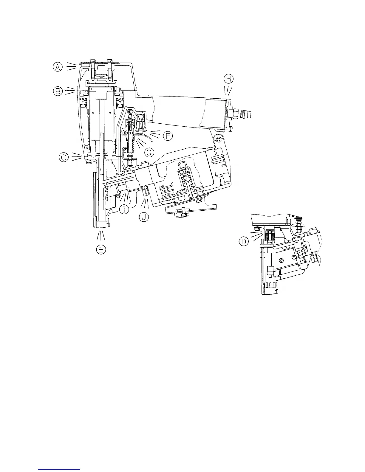
9-2. Possible Causes and Corrections of Air Leakage
Air leakage repair location
Fig. 8

Other manuals for Hitachi NV 45AB2

Related product manuals