EasyManua.ls Logo

Honeywell 7800 SERIES

Honeywell 7800 SERIES
40 pages
To Next Page IconTo Next Page
To Next Page IconTo Next Page
To Previous Page IconTo Previous Page
To Previous Page IconTo Previous Page
Loading...
RM7888A 7800 SERIES RELAY MODULE
32-00214—01 6
a
Flame Failure Response Time (FFRT) depends on selection of amplifier.
b
Circuitry tests all electronic components in flame detection system (amplifier and detector) 12 times a minute during
burner operation and shuts down burner if detection system fails.
c
Circuitry tests flame signal amplifier 12 times a minute during burner operation and shuts down burner if amplifier fails.
d
Use C7027, C7035 and C7044 Flame Detectors only on burners that cycle on-off at least once every twenty-four hours.
Use C7061A Ultraviolet Detector with R7861A Amplifier or C7076A Flame Detector with R7886A Amplifier as ultraviolet
flame detection system for appliances with burners that remain on continuously for twenty-four hours or longer.
e
R7847A,B Amplifiers with 0.8 second FFRT should NOT be used with C7012A,C Solid State Ultraviolet Detectors.
g
R7847C Series 4 or greater, check flame detector system when flame reaches 1.5 Vdc or at 4.5 seconds, whichever
occurs first.
NOTE: R7847C Series 4 or greater, pulse the shutter when signal of 1.5 Vdc is sensed. Display readings of 0.7 to 2.4 Vdc
are common.
h
Order flame rod separately; see flame detector Instructions for holder.
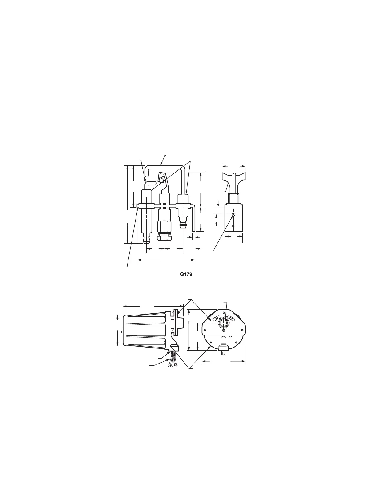
Fig. 2. Rectification detectors.
Fig. 3. Rectification detectors.
THREADED
MOUNTING
HOLES (2)
(10-32 UNF)
1 (25)
FLAME ROD
TARGET
CERAMIC
INSULATORS
IGNITION
ELECTRODE
(Q179C ONLY)
BRACKET
M1983B
3-1/8
(79)
1-21/32
(42)
1-13/32
(36)
3/8 (10)
1/2 (13)
1-1/16
(27)
25/32
(20)
25/32
(20)
2-25/32
(62)
3/32 (2)
11/16
(18)
17/32
(14)
MOUNTING FLANGE
1/2- 14 NPSM
LEADWIRES
FACEPLATE
3/4-14 NPT
M1962D
3-3/4
(95)
7-7/32
(183)
5-1/8 (130)
3-7/16
(87)
5-1/4 (133)
C7012A,C,E,F, C7061

Other manuals for Honeywell 7800 SERIES

Related product manuals