EasyManua.ls Logo

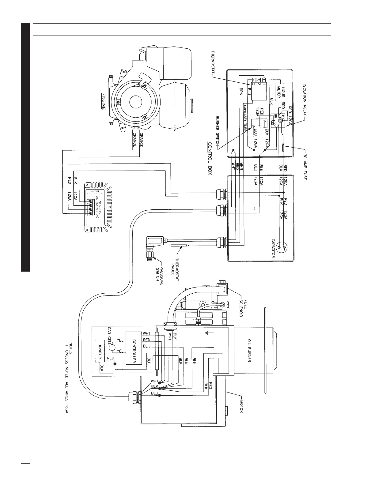
Hotsy 871SS - Wiring Diagram - 871 SS

Hotsy 871SS
34 pages
Print Icon
To Next Page IconTo Next Page
To Next Page IconTo Next Page
To Previous Page IconTo Previous Page
To Previous Page IconTo Previous Page
Loading...
97-6642 • HOTSY 781SS, 871SS, 921SS • REV. 7/06
PRESSURE WASHER Wiring Diagram
32
WIRING DIAGRAM - 871SS

Related product manuals