EasyManua.ls Logo

HP b2600 - System Board and PCI Board

HP b2600
206 pages
Print Icon
To Next Page IconTo Next Page
To Next Page IconTo Next Page
To Previous Page IconTo Previous Page
To Previous Page IconTo Previous Page
Loading...
130 Chapter5
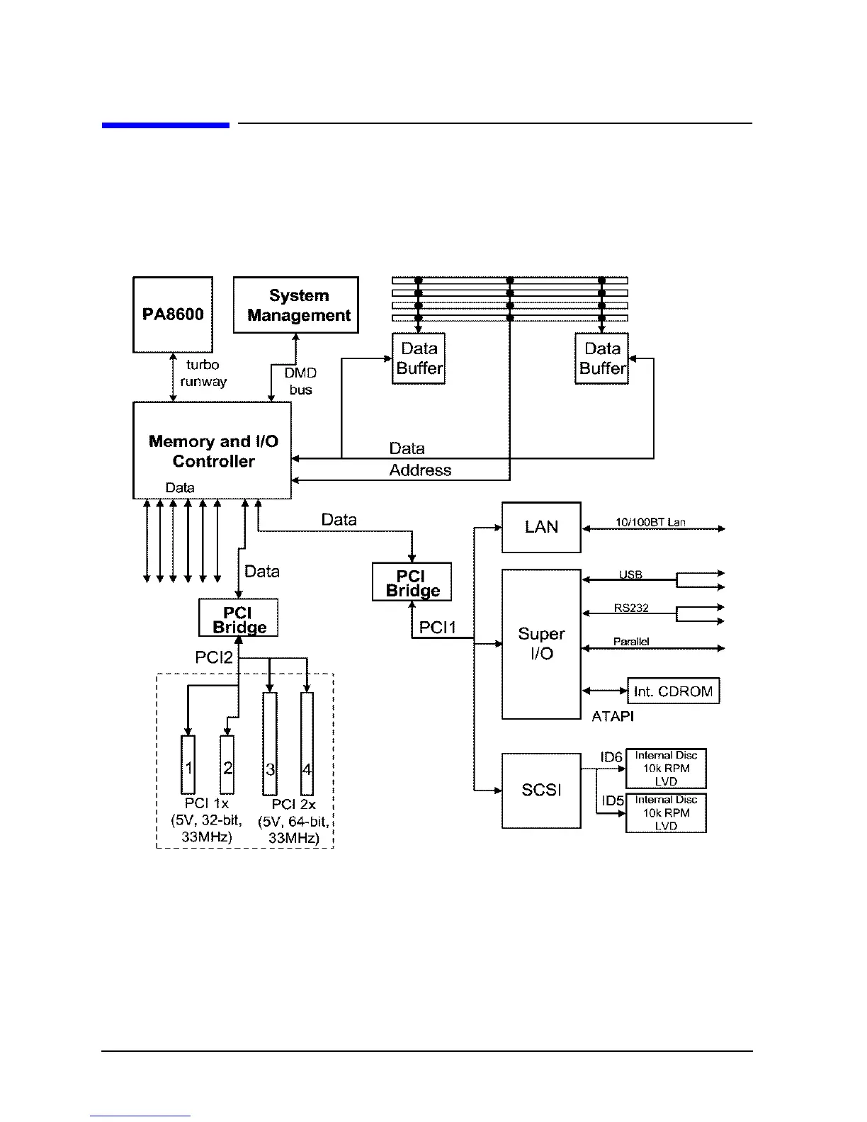
Block Diagram
System Board and PCI Board
System Board and PCI Board
The B2600 system is designed around a PA8600 processor and a Memory and I/O
Controller. This system is segmented into a system board and a PCI backplane board (the
area designated in the dotted lines). See Figure 5-1.
Figure 5-1. Block Diagram of the B2600’s System Board and PCI Board

Table of Contents

Other manuals for HP b2600

Related product manuals