EasyManua.ls Logo

Huawei TP482000B Series - Page 94

Huawei TP482000B Series
107 pages
Print Icon
To Next Page IconTo Next Page
To Next Page IconTo Next Page
To Previous Page IconTo Previous Page
To Previous Page IconTo Previous Page
Loading...
TP482000B V300R002C03 Telecom Power
(TP482000B-N20B1, TP482000B-N20B2,
TP481200B-N20B1, and TP481200B-N20B2)
User Manual
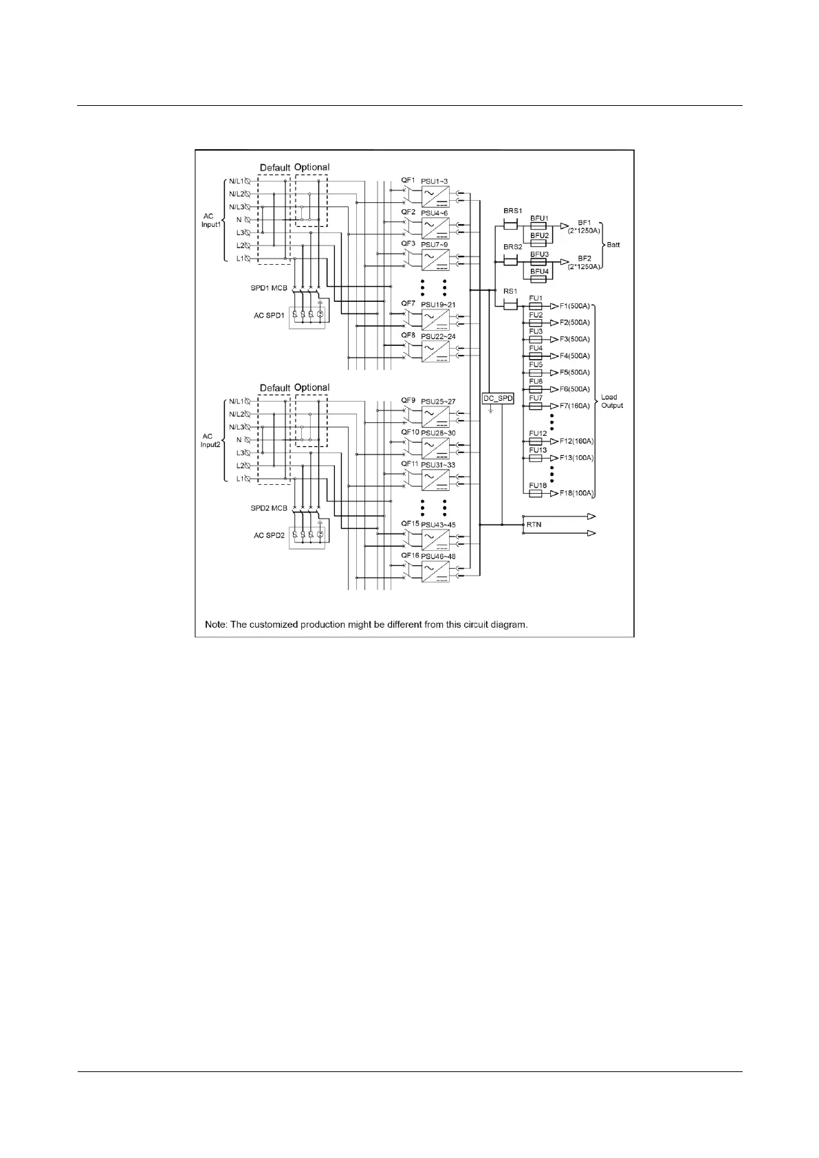
B Electrical Conceptual Diagram
Copyright © Huawei Technologies Co., Ltd.
88
Figure B-2 Electrical conceptual diagram of TP482000B-N20B2

Related product manuals