EasyManua.ls Logo

HydraMaster Boxxer 421 - Page 79

HydraMaster Boxxer 421
179 pages
Print Icon
To Next Page IconTo Next Page
To Next Page IconTo Next Page
To Previous Page IconTo Previous Page
To Previous Page IconTo Previous Page
Loading...
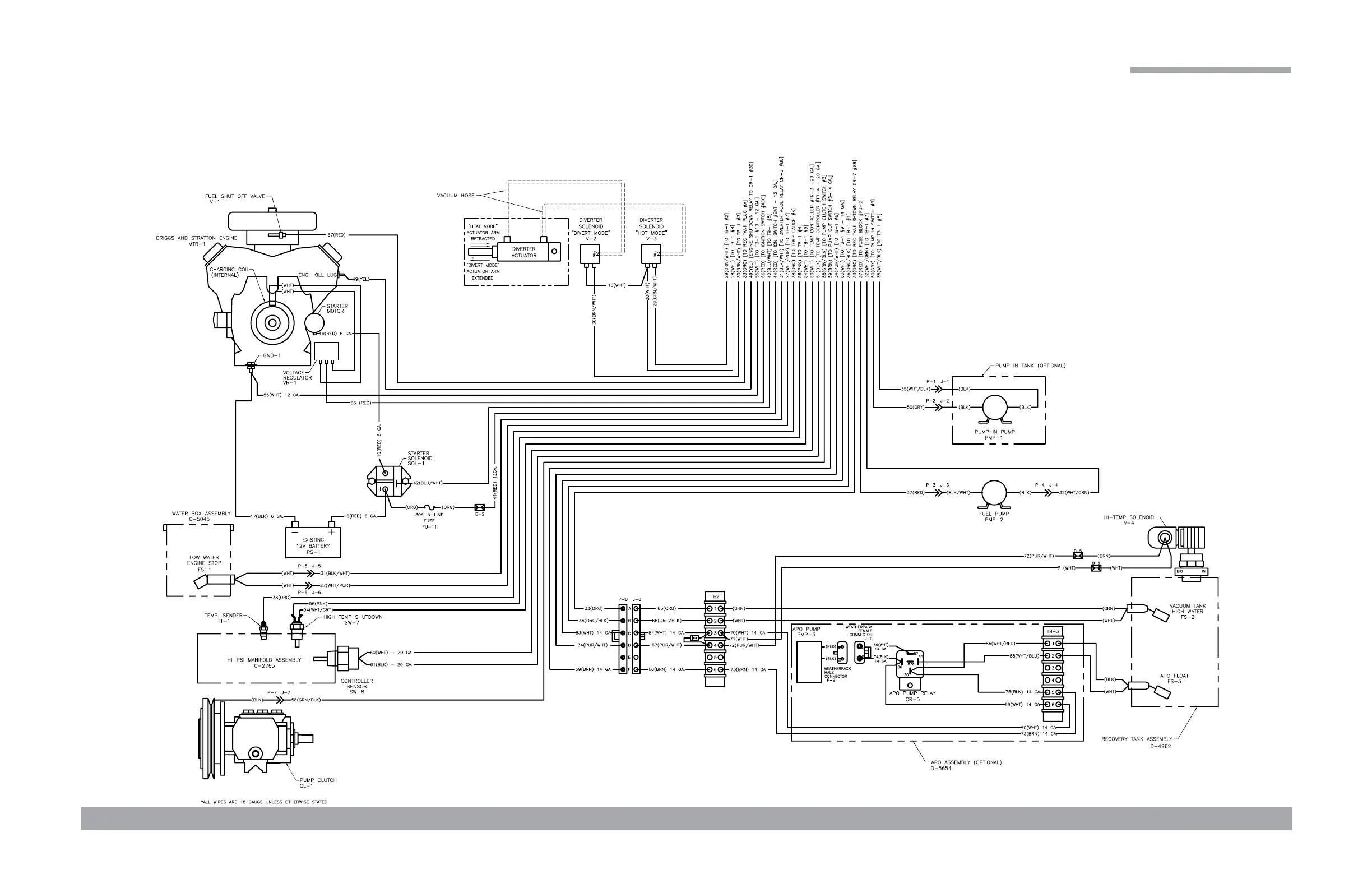
Page 8-5 : Electrical System
Boxxer 421
Figure 8-4 Wiring Schematic
D-5148 Rev. H (Sheet 4)

Related product manuals