EasyManua.ls Logo

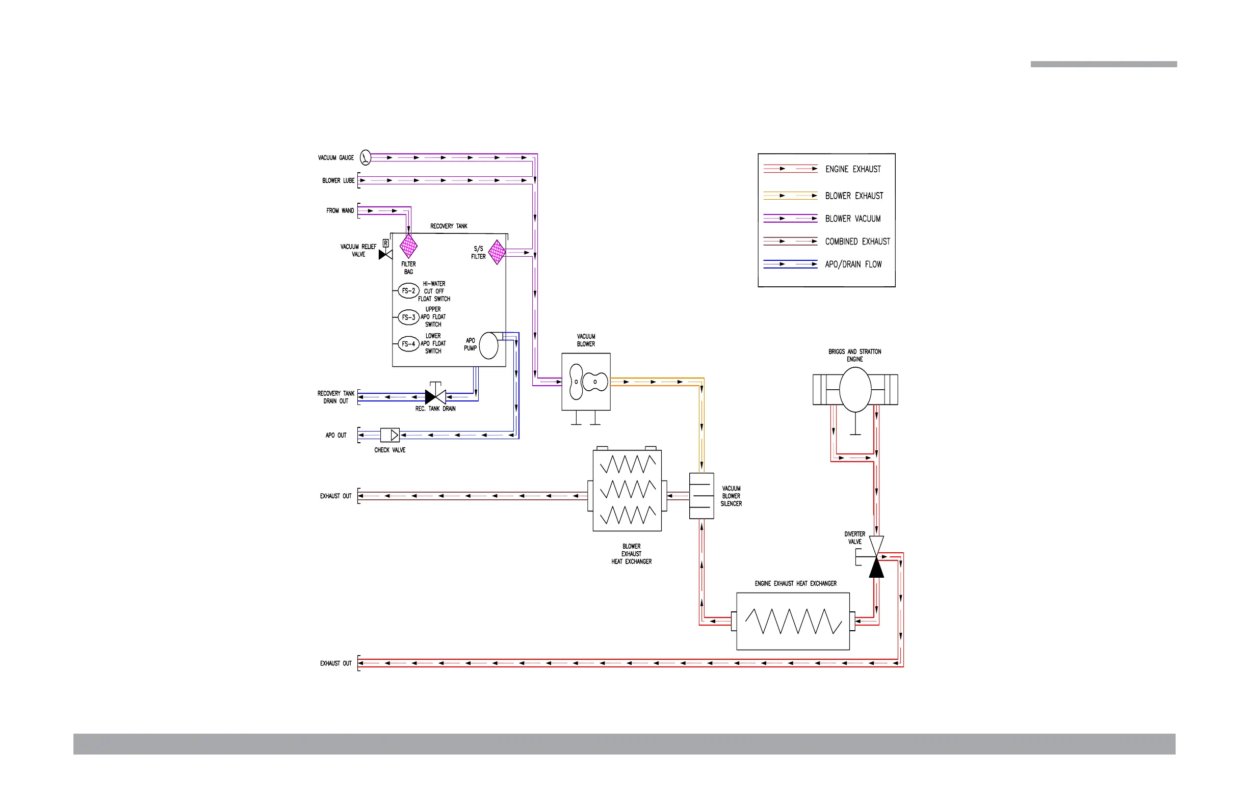
HydraMaster Boxxer 421 - Exhaust, Vacuum, Coolant and APO Flow Diagram

HydraMaster Boxxer 421
179 pages
Print Icon
To Next Page IconTo Next Page
To Next Page IconTo Next Page
To Previous Page IconTo Previous Page
To Previous Page IconTo Previous Page
Loading...
Page 9-7 : Water and Chemical
Boxxer 421
Figure 9-4 Wiring Schematic
D-5150 Rev. - (Sheet 3/3)

Related product manuals