EasyManua.ls Logo

Hydro atos E-BM-AC-05F - Page 30

Default Icon
42 pages
Print Icon
To Next Page IconTo Next Page
To Next Page IconTo Next Page
To Previous Page IconTo Previous Page
To Previous Page IconTo Previous Page
Loading...
Options see section
4
- = standard 24 VDC power supply
12 = 12 V
DC power supply
A = max current limitation for ex-proof valves
P = electrical supply for external potentio-
meters to generate reference signal
W = power limitation function (see 6.7)
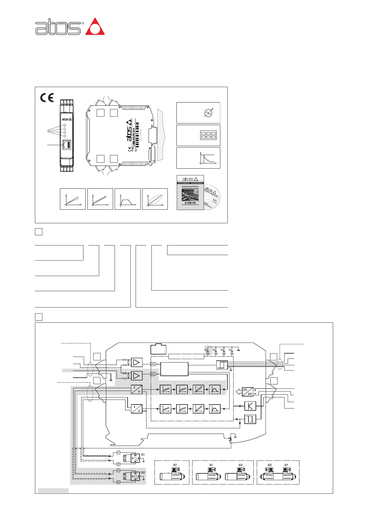
Digital electronic drivers type E-BM-AS
DIN-rail panel format, for proportional valves without transducer
Table G030-4/E
E-BM-AS digital drivers supply and con-
trol the current to the solenoid of Atos pro-
portional valves without transducer,
according to the electronic reference
input signal. The solenoid proportionally
transforms the current into a force, acting
on the valve spool or poppet, against a
reacting spring, thus providing the
hydraulic regulation.
E-BM-AS can drive up to two single or
one double solenoid proportional valves.
Electrical Features:
4 fast plug-in connectors
RJ45 connector for RS232 Serial
communication to program the driver
with the Atos PC software
4 leds for diagnostics : power sup-
ply presence, driver status, solenoid
status (S1 and S2)
±5
VDC output supply for external refe-
rence potentiometers (/P option)
Electrical protection against reverse
polarity of power supply
Plastic box with IP20 protection degree
and standard DIN-rail mounting
CE mark according to EMC directive
Software Features:
Setting of valves functional parame-
ters: bias, scale, ramps, dither
Linearization function for the hydraulic
regulation
2 selectable modes for electronic refe-
rence signal: external analog input or
internal generation
Max power limitation (/W option)
Selectable range of electronic referen-
ce analog inputs: voltage or current
Complete diagnostics of driver status,
solenoid and driver fault conditions
Intuitive graphic interface
E - BM -A 01H / **
Electronic driver in DIN
rail panel format
1 MODEL CODE
2 BLOCK DIAGRAM
Series number
G030
www.atos.com
01H = for single solenoid proportional valve
05H = for double solenoid or two single solenoid
proportional valves
A = driver for valves without
transducer
PS -
S = digital execution
-
PS = Serial communication interface
RS232
CONNECTOR
CMD1
DGND
CMD2
REFERENCE
GENERATOR
LOGIC
CMD-
ENABLE input
STATUS output
DC/DC
CONVERTER
POWER
SUPPLY V+
POWER GND
MICROCONTROLLER
DRIVER STATUS
CURRENT TO
SOLENOID S1
CURRENT TO
SOLENOID S2
EARTH
REFERENCE S1
E-SW-PS
programming software
DI1
DI2
DI3
DI4
RAMPSLINEARIZ.
BIAS
SCALE
TWO SINGLE SOLENOID VALVES DOUBLE SOLENOID VALVE
POWER SUPPLY
SOLENOID S2
Only for 05H version
VALVE’S ELECTRICAL CONNECTORS
RAMPSLINEARIZ.BIASSCALE
D
C
A
B
RampsBiasScale
SOLENOID S1
REFERENCE S2
1
2
3
4
1
2
3
4
1
2
3
4
2
1
4
3
Linearization
Internal
Rererence
Generator
SINGLE SOLENOID VALVE
05H 05H01H
Electronic
reference
input signals
Current
supply to
solenoids
ON/OFF
inputs
Enhanced
Diagnostic
Hydraulic
Power
Limitation
(option /W)
RJ45
LEDS:
*S

Table of Contents

Related product manuals