EasyManua.ls Logo

Hyundai 20DT-7 - Page 210

Hyundai 20DT-7
240 pages
Print Icon
To Next Page IconTo Next Page
To Next Page IconTo Next Page
To Previous Page IconTo Previous Page
To Previous Page IconTo Previous Page
Loading...
7-5
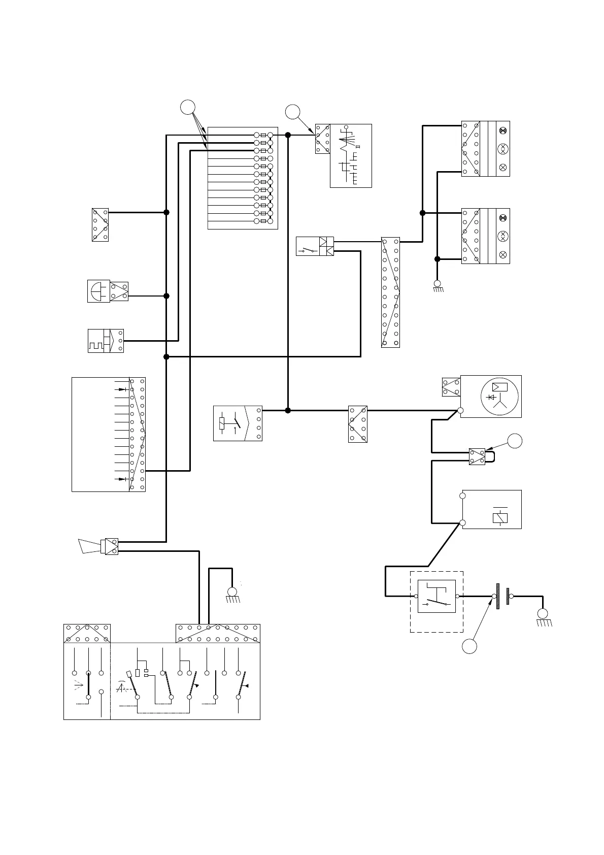
POWER CIRCUIT
POWER CIRCUIT
CN-36
FUSE BOX
HORN
1
2
3
FOR CABIN
4
3
2
1
CN-17
CN-3
1
2
3
4
R/COMBI RH
CL-16
R/COMBI LH
CL-15
BRAKE SW
1
2
3
4
ST
CL
TN
BK
5
6
RW
RB
R
LW
1
2
3
4
ST
CL
TN
BK
5
6
GN
RW
RB
R
LW
B
CD-4
CN-25
200 RW
200 RW
380 V
390 W
G1
G1
390 W
G1 B
380 V
CS-2
START KEY SW
120 R
4
3
2
1
0
I
0,
I
H
4 BR
- ACC
1 R1
4 BR
- ACC
4 BR
- ACC
2 R2
- ST
B 3
OPS BUZZER
CN-113
200 RW
B
L
E
2
1
3
G
CR-11
FLASHER UNIT RY
CN-55
OPSS UNIT
IGN
SEAT S/W
REV S/W
FWD S/W
TRAVEL CUT
RELAY2
GND
OPS-LAMP
BUZZER(-)
BRAKE S/W
RELAY3
BATT(+)
PARK'G S/W
1
2
3
4
5
6
7
8
9
10
11
12
13
14
390 W
200 RW
4
210 Gr
CN-4
1
2
3
4
5
6
7
8
9
10
11
12
200 RW
210 Gr
212 Y
CR-23
STARTER RELAY
87
30
86
85
85
86
30
87
120 R
212 Y
MASTER SW
START MOTOR
CN-45
B+
M
M
100 R
ALTERNATOR
CN-74
B+
R
G
~
3
U
B
A
1
L
38SQ(B)
38SQ(R)
F/LINK
CN-95A
110 W
100 R
2
1
2
38SQ(R)
B+
BATTERY
12V
1
2
120 R 120 R 120 R
1
2
4
3
5
5-C
7-Lo
8-Hi
4-HO
1-TLH
2-TRH
9-C
6-ILL
3-HO
>
1-N
4-FWD
3-C
5-REV
1
2
4
3
5
6
7
8
9
2-GND
CS-11
CS-12
STEERING COLUMN SWITCH
GEAR SELECTOR
COMBI SWITCH
GN
B
Pa
5A
START RELAY
TURN LAMP
10A
ILL/HEAD LAMP
15A
HORN/BRAKE LAMP
TRAVEL
FUEL CUT SOL/ALT
SEAT HEAT
CLUSTER
WORK/BEACON LAMP
FOR CABIN
OPSS SYSTEM
5A
5A
5A
10A
15A
5A
10A
OPS-UNIT
5A
1
2
3
4
5
678
9
10
11
12
10A
20DFEL03 WIA

Related product manuals