EasyManua.ls Logo

IBC Technologies VFC 15-150 - Page 37

IBC Technologies VFC 15-150
57 pages
Print Icon
To Next Page IconTo Next Page
To Next Page IconTo Next Page
To Previous Page IconTo Previous Page
To Previous Page IconTo Previous Page
Loading...
IBC Technologies Inc. 37 VFC 15-150 and VFC 45-225
achieve 28% excess air (corresponding
CO
2
values are 9.2% for natural gas
and 10.4% for propane). This screw
offers very fine adjustment, and may
require several turns. Note: This screw
has significant backlash. When
changing direction of turn, it may take
up to a full turn before any change is
indicated on the analyzer reading.
Clock the gas meter to confirm full
maximum rating plate input.
5. To confirm or adjust the minimum fire
level settings, Re-define the load as
“Manual Control”. Use Heat Output
in “Configure Load x” to control the
output as needed.
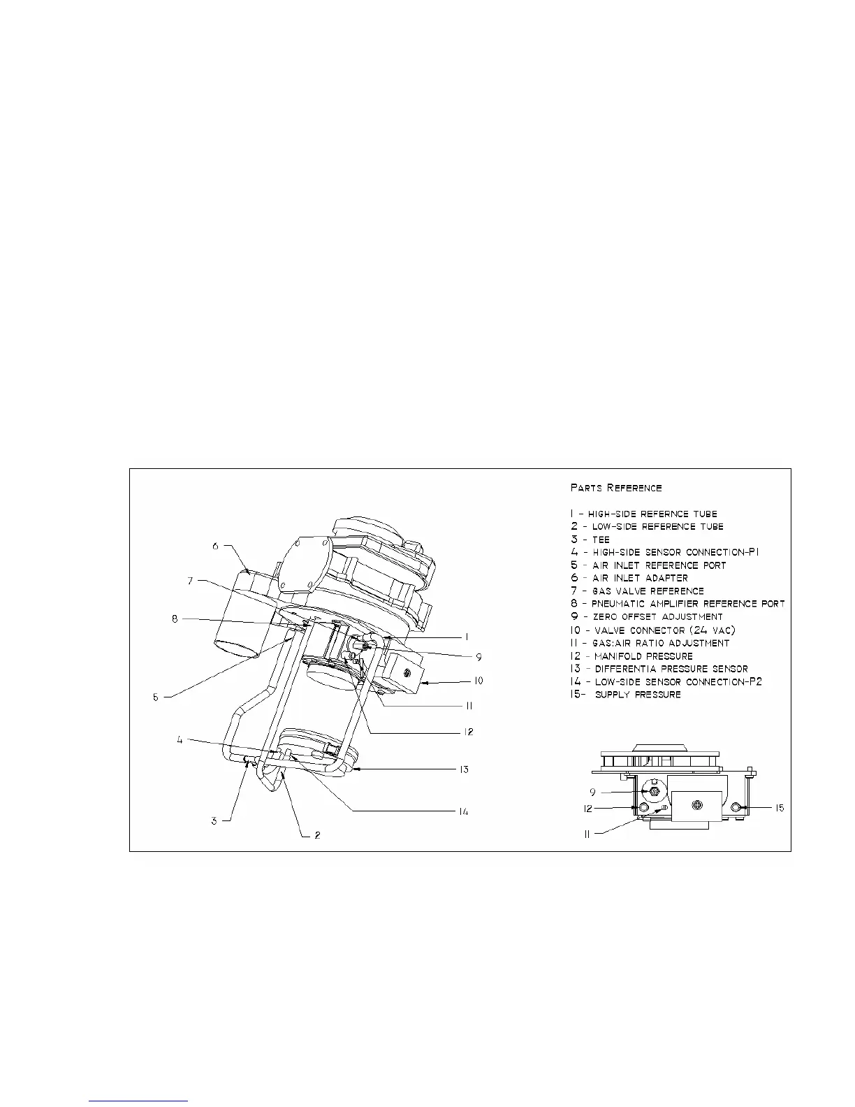
6. At the minimum firing rate, adjust the
zero-offset screw (see Fig.12, #9) to
obtain 28% excess air. It may be
necessary to reduce the output in
stages if this adjustment has been
tampered with.
7. Turn boiler off by removing the call
for heat (use the Heat Load
Configuration screen to turn load to off
if no other ready means available),
then remove the manometer
connections, and turn the centre-screw
in the manifold pressure test port 1 full
turn clockwise. Ensure fully closed,
but not over-tightened.
Figure 12 – Gas Valve and Pressure Reference System

Related product manuals