EasyManua.ls Logo

Icematic M402 - Service Diagnosis

Icematic M402
32 pages
Print Icon
To Next Page IconTo Next Page
To Next Page IconTo Next Page
To Previous Page IconTo Previous Page
To Previous Page IconTo Previous Page
Loading...
English
20
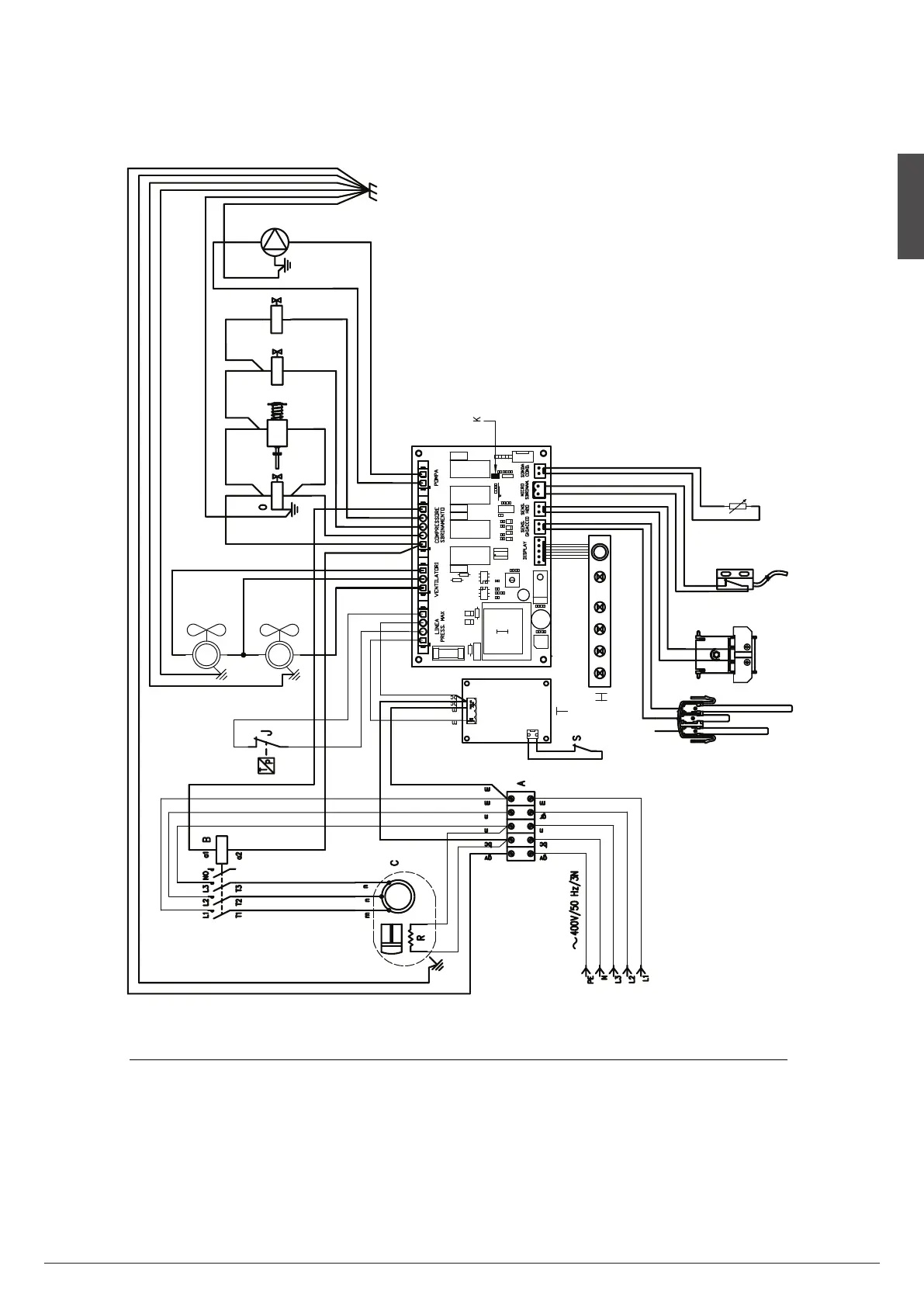
SERVICE MODULARI06/2014
A - Input terminal board
B- Compressor remote control switch
C- Compressor
D- Ice sensor
E- End defrosting switch
F- Water level sensor
G- Condenser temperature probe
H- Led card
I-Electronic card
J- Max pressure switch
K- Automatic reset switch
L-Water pump
M- Water inlet valve
N- Water discharge valve
O- Hot gas valve
SP- Solenoid harv assist
P1- Fan Motor 1 (only AIR cooled unit)
P2- Fan Motor 2 (only AIR cooled unit)
R- Cranckase heater
T-Start delay electronic board
m=brown
bc = light blue
gv = yellow green
b=white
n=black
r=red
a
= orange
v=viola
L
SP
F
E
G
v
v
b
c
m
b
c
n
b
r
a
m
n
b
c
n
n
n
nm
bc
n
bc
n
v
v
N
b
bc
M
r
bc
D
n
m
P1
P2
Wiring Diagram M502
400V / 50Hz / 3ph

Related product manuals