EasyManua.ls Logo

Icom IC-7100

Icom IC-7100
294 pages
To Next Page IconTo Next Page
To Next Page IconTo Next Page
To Previous Page IconTo Previous Page
To Previous Page IconTo Previous Page
Loading...
9-1
HFID1V
JHFOR
TB2V
LPF
T8R
L5
VPRES
TB1V
JHFOR
T8
CTRL
BPF
CTRL
HEAT
SENS
L7
L3
LPF
REVERSE
CONNECT
PROTECT
EP1
DIPLEXER
BUFF
CTRL
FANV
BIAS
DRIVE
AM P
HR8V
PVT8
PUT8
HFID2V
D961/D962
HSM88ASx2
PWR/SWR
DET
THML
DC13.8V
TX/RX
SW
ATT
BUFF
BPF
CTRL
Q 771/Q772/Q773
Q 774/Q775/Q776
Q 777/Q779
LDTC143 x8
CTRL
RF
CTRL
TX/RX
SW
PVR8
BIAS
T8
CTRL
LPF
ESTA
IDL
PT8V
HPF
DRIVE
PRE
TX/RX
SW
FORL
PWR
AM P
JHREF
L6
ANTENNA
PUTXS
TB1V
BIAS
PUR8
ATT
JHREF
VBANDS
DRIDV
LPF
BIAS
L1
ANTENNA
PWR
AM P
Q 301/Q302
RD70HVF1 x2
VUATS
BPF
LPF
L2
PT8V
12
VUIDV
PWR/SWR
DET
VUATS
L4
LPF
BUFF
LPF
MUT E
BUFF
LPF
VBANDS
TB2V
+8
REG
LPF
S/P
CONV
IC432
PT8V
ATT
BIAS
LPF
FAN
CTRL
PRE
AM P
RF
AMP
PRE
AM P
ID
DET
PVTXS
REFL
UPRES
DIPLEXER
POWS
J20012
1
2
3
4
RF
AM P
BPF
EKEY
PVT8
PVT8
MUT E MUT E
PVT8PVT8
HF/50M/70M
RD01MUS2
144M
TA7808F
2SB1132
7.3-14.35MHz
2SK2854
LM2904PWR
430M
L1-L7,T8R
2SB1132
fc=270M
14V
fc=74.8MHz
PA UNIT
LM2904PWR
JMST
fc=200M
2SC3356 3SK293
CD74AHC595
HV
3SK293
JMCK
INA199A 2
21.45-33.0MHz
IC362
DSA3A1
JPRES
PUT8
TJ50S06M3L
14.35-21.45MHz
P8V
fc=700M
JFDAT
6dB
DSC7004S
14V
LM2904PWR
144/430MHz
430M
FAN
RD70HUF2
P8V
HF/50MHz/70MHz
144M
0.03-2.0MHz
LM2904PWR
14V
PVT8
2.0-4.0MHz
4.0-7.3MHz
RD15HVF1
33.0-74.8MHz
TUNER
RN752
(74.8-200MHz )
(74.8-200MHz)
IC960
IC960
Q251
Q102
Q101
Q181
KTC2875
D181,182
MMBV3700 x2
IC392
Q292
Q492
Q481 Q451
Q452
LDTC143
Q552
LDTC143
Q551 Q791
Q392
RUE002N02
Q391
x3
D371,D372,D373
IC651
IC651 Q661
LDTC143
LDTC143
Q651
x3
D422,423,424
Q501
D433,D434
JDP2S12
D431,D432
RN752
I
D651/D661
LRB751S x2
x2 x2
Q421,Q422
LDTC143x2
(400-470MHz )
(400-470MHz)
20dB
20dB
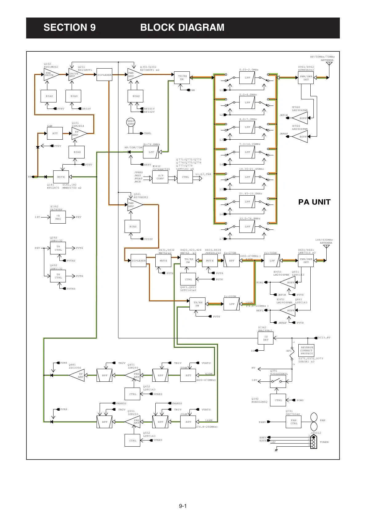
SECTION 9. BLOCK DIAGRAM

Other manuals for Icom IC-7100

Related product manuals