EasyManua.ls Logo

Icom IC-R7000 - Page 115

Icom IC-R7000
126 pages
To Next Page IconTo Next Page
To Next Page IconTo Next Page
To Previous Page IconTo Previous Page
To Previous Page IconTo Previous Page
Loading...
T
.
l)
5)
I)
0)
1)
•)
1)
J2
P2
02
(()
0
~
9
080
o3
~
~
'A
Y4
:::
:::::
Y3
I
:::
::
Y2
:::::
:>
YI
,_
,_
DBO
R5
47K
01-028
155133
R6
47K
R2':.47K
(Rf
030
DBI
04-
~
<RY
D~I
082
~
!::::::
DBI
,_
;;.
082
!::::::
!::
083
,,..
~
~
o_}I'
42
ojl'
1-:!:~--±------+---!----~~-B
47K
I
'-----1H
41
40
39
°Y
38oy'
-
-
37
oy'
36
oy
oy.<
oiy
051'
ozy
R9
47K
RJg
47K
Rrf
47K
R12
47K
Rl:147K
R14
4YK
02-05
25A1048
029-032
155133
06.07
25A1048
033,034
155133
~
{h-
032083
06
-
{r:)
0
:33
ns1
~
.
D~~
QB
I~
'""""
0~5
OBI
08-011
25Al048
035-039
155133
,
5v...__,
,
g)2
012-014
2SAI048
D40os~
040-042
155133
IC2
0
:
1
081
TAY8L005AP
2
'
R32 10
5
~f
~t
3
al
f!~
/73.8
042
DBD
er
UQ
.
.
13.BV)
8
~Q15
25A1345
r+----t-----,~~-"1
c
~~
~
I.REMOTE
SW
ON:
JI
I
Pl
'=-
::-
·-
J,
-
,_
8
...
.(
c!
0\1.!
R!~
!OK
5
Y }
6
v
REl3
~-___,,........----.
")
R23
048
! / 021 I SPKS
016
a
47K
155133 R24
10K
~
~----..,
E
~
2SA!345!!! J .
CJ49
~
v
'~
I R30
IOK
HV
I
-
-
,_
-
I
,_
-
,_
,_
:
~
r
155!~
'---'11111.-----+-~
a:
o V R >
"'-'~~ut--+-+7:-11------s;:-4~--t--i---i---to-t-----ru1
AFUD
"'
,_
,_
,_
-
,_
,_
-
-
22V-"r~~,.-
<0!!!,;
0
7
9
>c
~
~'-----------------------.---1n:044ii41:755733
'-'!819
(J~
2SCZ45.!
Q
~
017
-
I~
le
~
l-!!!..._-------------------ir-------<-~.-
R2122K H )
Q:
..,
1::
1::
'-----t--~Jt----ir-"111•1
POC
~
l
~
~
~
~
R22°'22K~~/:;
:IB
~
~
R15
47K
A}
IO
R29.,100K
Q O
~'---W..-"R-"16,,___4~7~K~s
----------""!'"-~
g:
~
j
...
0
:
25C340
~
~'----'1·Nr·R~1~7~4~7K~c
Q:j
~
017
. QIB K
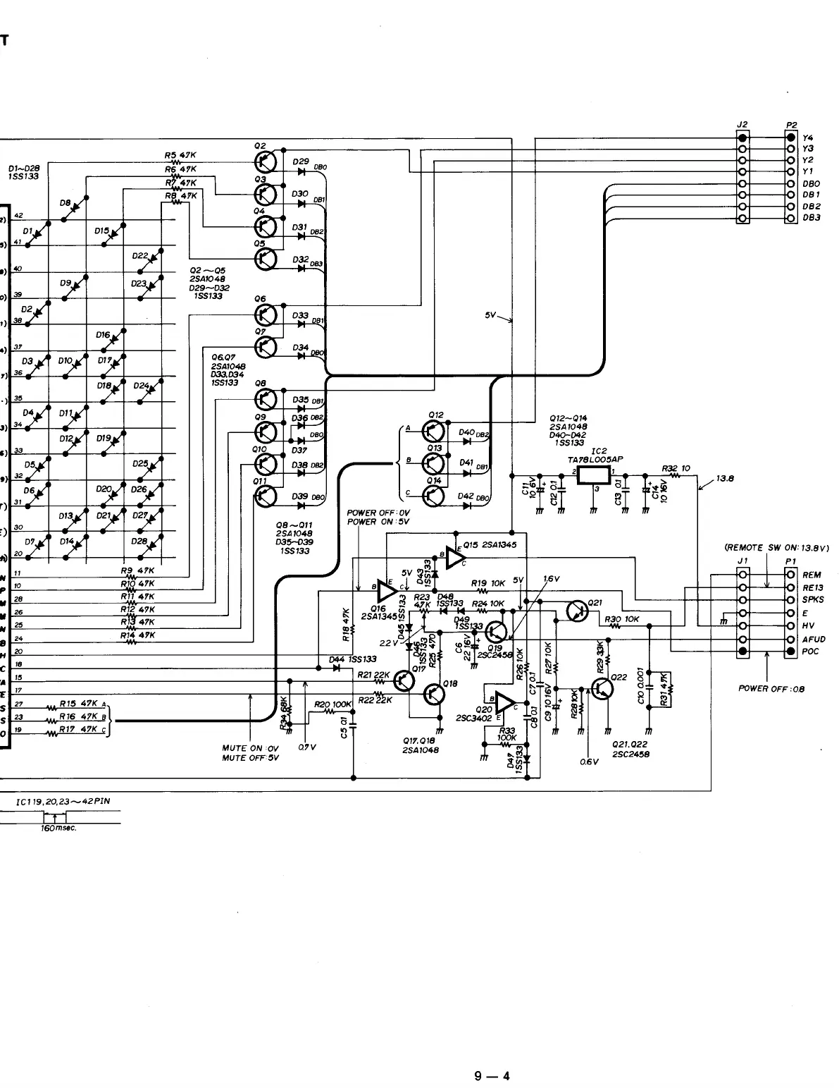
IC119,20,23-42PIN
ITT
760msec.
MUTE
ON
=OV
MUTE
OFF=5V
2sA104s
rlr
~8,
o~
Q7V
9-4
POWER
OFF
:08
8'
w
022
I
cs
...
·~
84
~
17
m
021.022
2SC2458
0.6V

Other manuals for Icom IC-R7000

Related product manuals