EasyManua.ls Logo

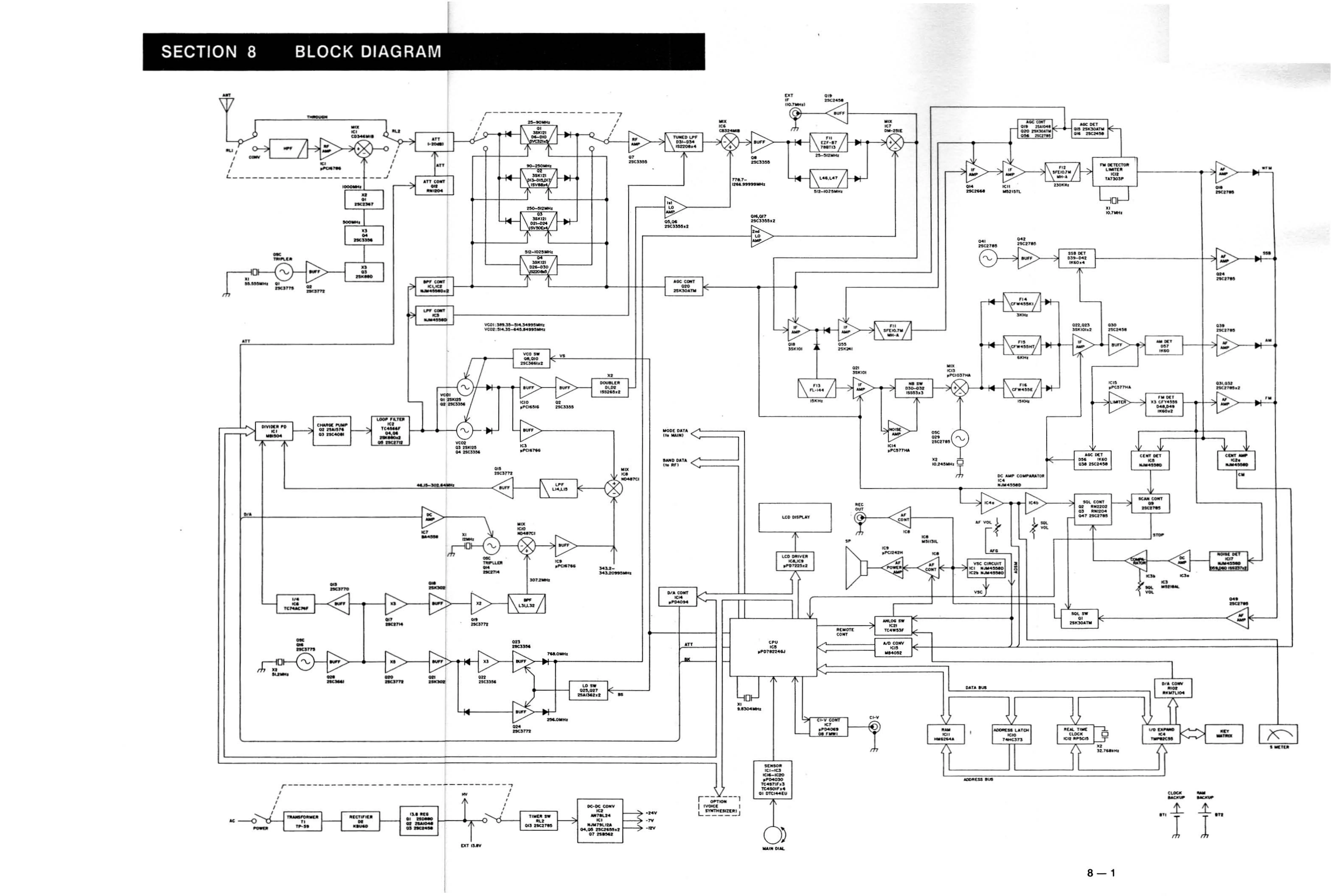
Icom IC-R7100 - SECTION 8 BLOCK DIAGRAM

Icom IC-R7100
71 pages
To Next Page IconTo Next Page
To Next Page IconTo Next Page
To Previous Page IconTo Previous Page
To Previous Page IconTo Previous Page
Loading...

Other manuals for Icom IC-R7100

Related product manuals