EasyManua.ls Logo

IDEAL EVOMAX 2 150 - Page 17

IDEAL EVOMAX 2 150
44 pages
Print Icon
To Next Page IconTo Next Page
To Next Page IconTo Next Page
To Previous Page IconTo Previous Page
To Previous Page IconTo Previous Page
Loading...
1717
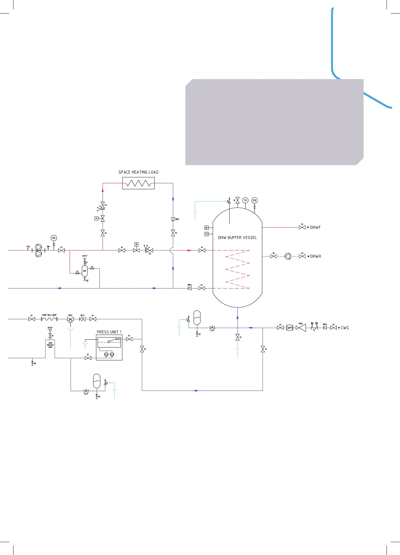
NOTE: THIS SCHEMATIC IS AN ILLUSTRATION
OF A HYDRAULIC ARRANGEMENT FOR
DISCUSSION AND REFERENCE USE ONLY.
THE SCHEMATIC MAY NOT ACCURATELY DESCRIBE
THE ACTUAL ARRANGEMENT REQUIRED IN ORDER
FOR THE SYSTEM TO OPERATE CORRECTLY
AND ADDITIONAL COMPONENTS MAY BE
REQUIRED. UNDER NO CIRCUMSTANCES SHOULD
THIS BE USED AS BASIS FOR PROCUREMENT,
PRODUCTION OR INSTALLATION.

Other manuals for IDEAL EVOMAX 2 150

Related product manuals