EasyManua.ls Logo

IDEAL EVOMAX 2 150 - System Layout

IDEAL EVOMAX 2 150
44 pages
Print Icon
To Next Page IconTo Next Page
To Next Page IconTo Next Page
To Previous Page IconTo Previous Page
To Previous Page IconTo Previous Page
Loading...
16
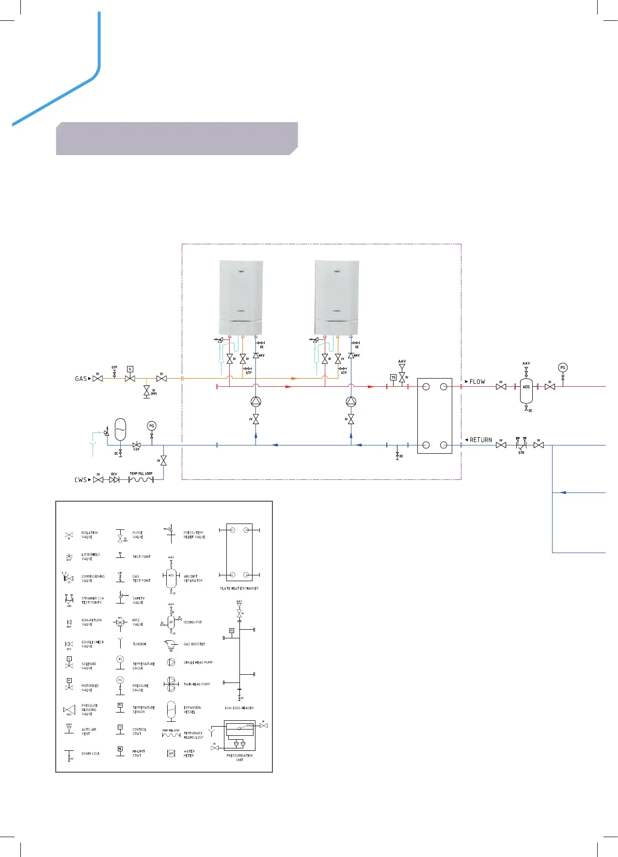
SYSTEM LAYOUT
TYPICAL SYSTEM BOILER LAYOUT
EVOMAX 2 FRAME & HEADER KIT C/W PLATE HEAT EXCHANGER
LEGEND

Other manuals for IDEAL EVOMAX 2 150

Related product manuals