EasyManua.ls Logo

IFM Electronic efector 300 SR5906 - Mounting of the Sensors

IFM Electronic efector 300 SR5906
12 pages
Print Icon
To Next Page IconTo Next Page
To Next Page IconTo Next Page
To Previous Page IconTo Previous Page
To Previous Page IconTo Previous Page
Loading...
5
UK
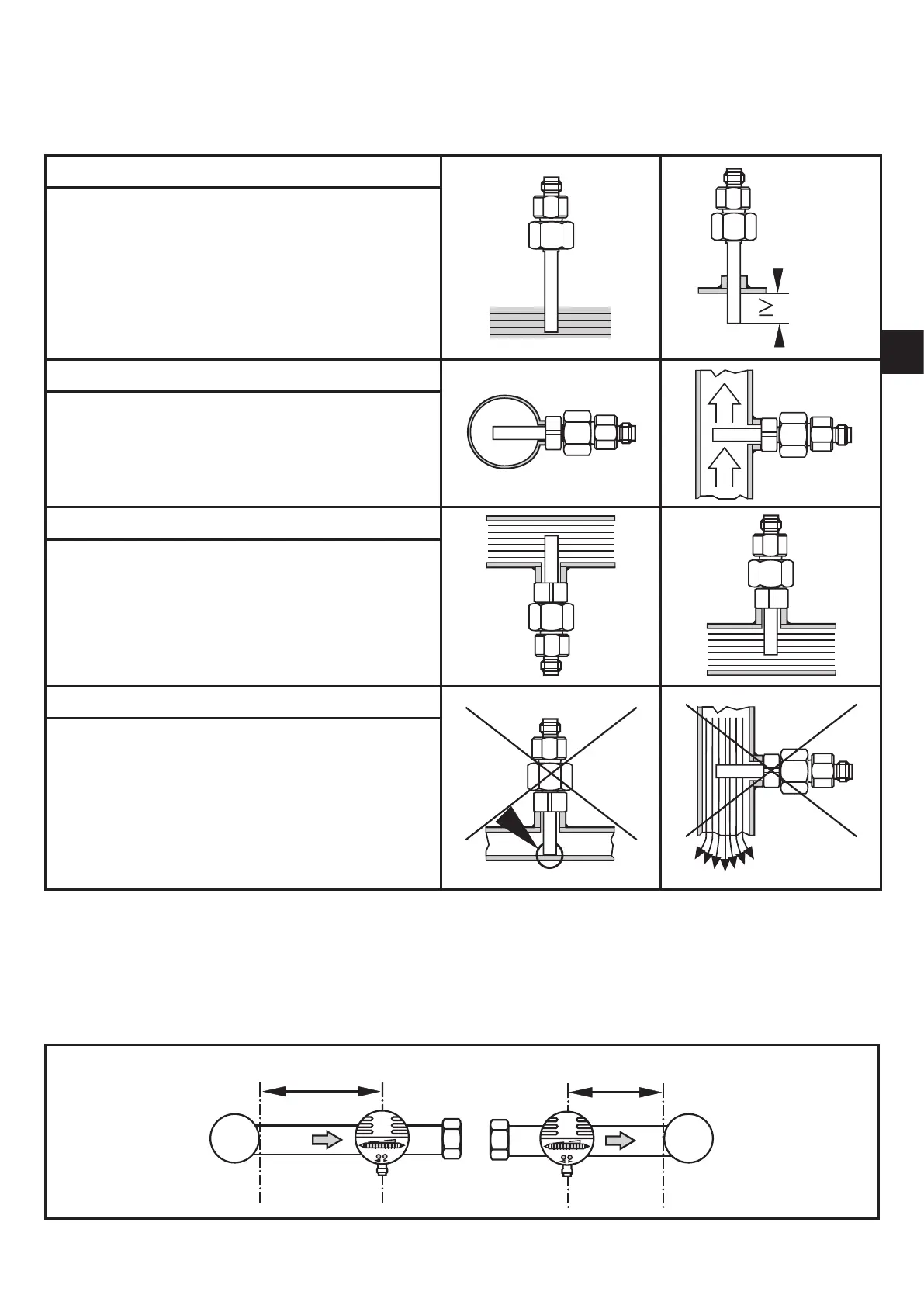
4.1  Mounting of the sensors
Adhere to the notes in the installation instructions enclosed to the sensor
Adhere to the following notes on the installation location:
General

The sensor tip is to be completely
surrounded by the medium�
Insertion depth of the sensor: minimum
12 mm�
Recommended
For horizontal pipes: mounting from
the side�
For vertical pipes: mounting in the rising
pipe�
Conditional
Horizontal pipe /mounting from the bot-
tom: if the pipe is free from build-up�
Horizontal pipe /mounting from the
top: if the pipe is completely filled with
medium�
To avoid
The sensor tip must not be in contact
with the pipe wall�
Do not mount in downpipes that are
open at the bottom!
Components integrated in the pipes, bends, valves, reductions, etc� lead to turbu-
lence of the medium� This affects the function of the unit�
Recommendation: Adhere to the distances between sensor and sources of inter-
ference:










D = pipe diameter; S = sources of interference

Related product manuals