EasyManua.ls Logo

IFM Electronic efector600 TR7439 - Electrical Connection

IFM Electronic efector600 TR7439
17 pages
Print Icon
To Next Page IconTo Next Page
To Next Page IconTo Next Page
To Previous Page IconTo Previous Page
To Previous Page IconTo Previous Page
Loading...
8
5 Electrical connection
The unit must be connected by a qualified electrician�
The national and international regulations for the installation of electrical
equipment must be adhered to�
Voltage supply to EN 50178, SELV, PELV
Disconnect power
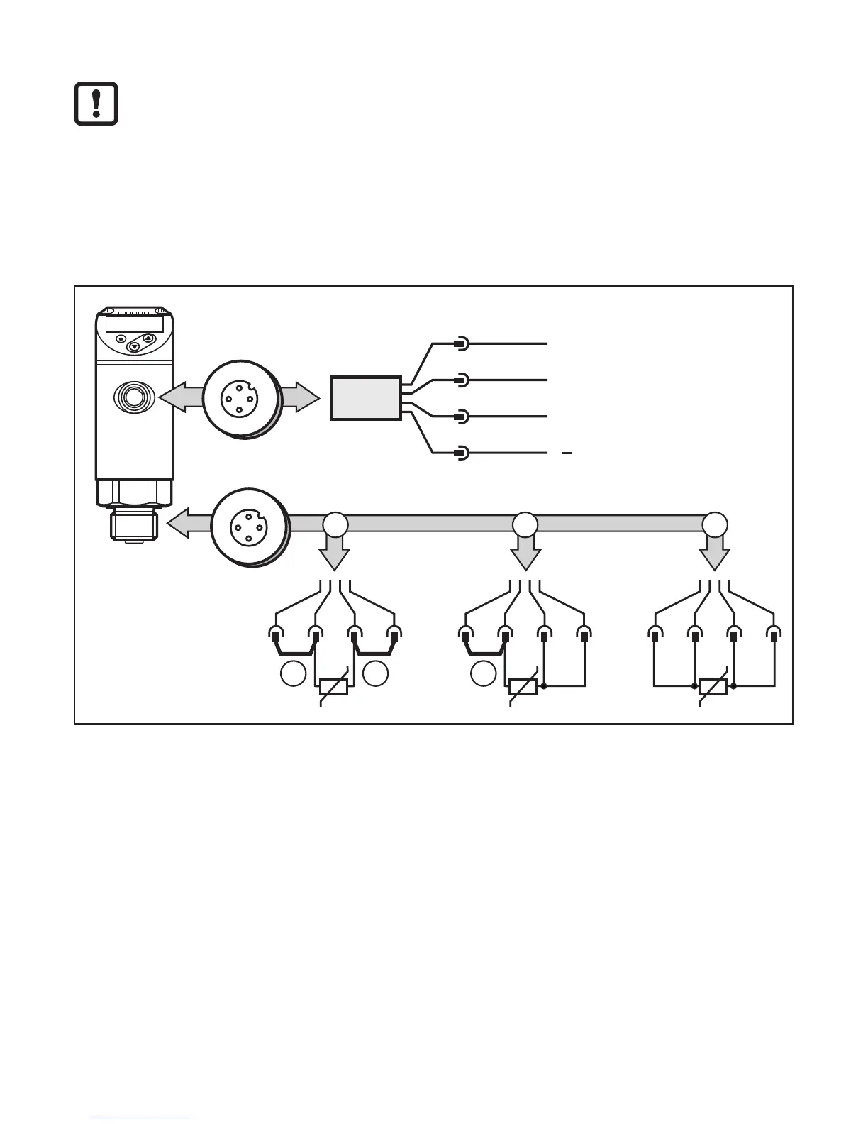
Connect the unit as follows:
1 432
ϑ
432
ϑ
432
ϑ
1
1
3
4 4 4
2
1
3
1
2
4
BN
WH
BK
BU
4
1
3
2
OUT2
L
+
L
OUT1
4
2
1
3
TR
BK: black; BN: brown; BU: blue; WH: white� Colours to DIN EN 60947-5-2
1: two-wire sensor
2: three-wire sensor
3: four-wire sensor
4: bridge

Related product manuals