EasyManua.ls Logo

IHI IC75 - Hydraulic System; Hydraulic System Diagram

Default Icon
106 pages
Print Icon
To Next Page IconTo Next Page
To Next Page IconTo Next Page
To Previous Page IconTo Previous Page
To Previous Page IconTo Previous Page
Loading...
MAINTENANCE
IC75 ENG 4-29
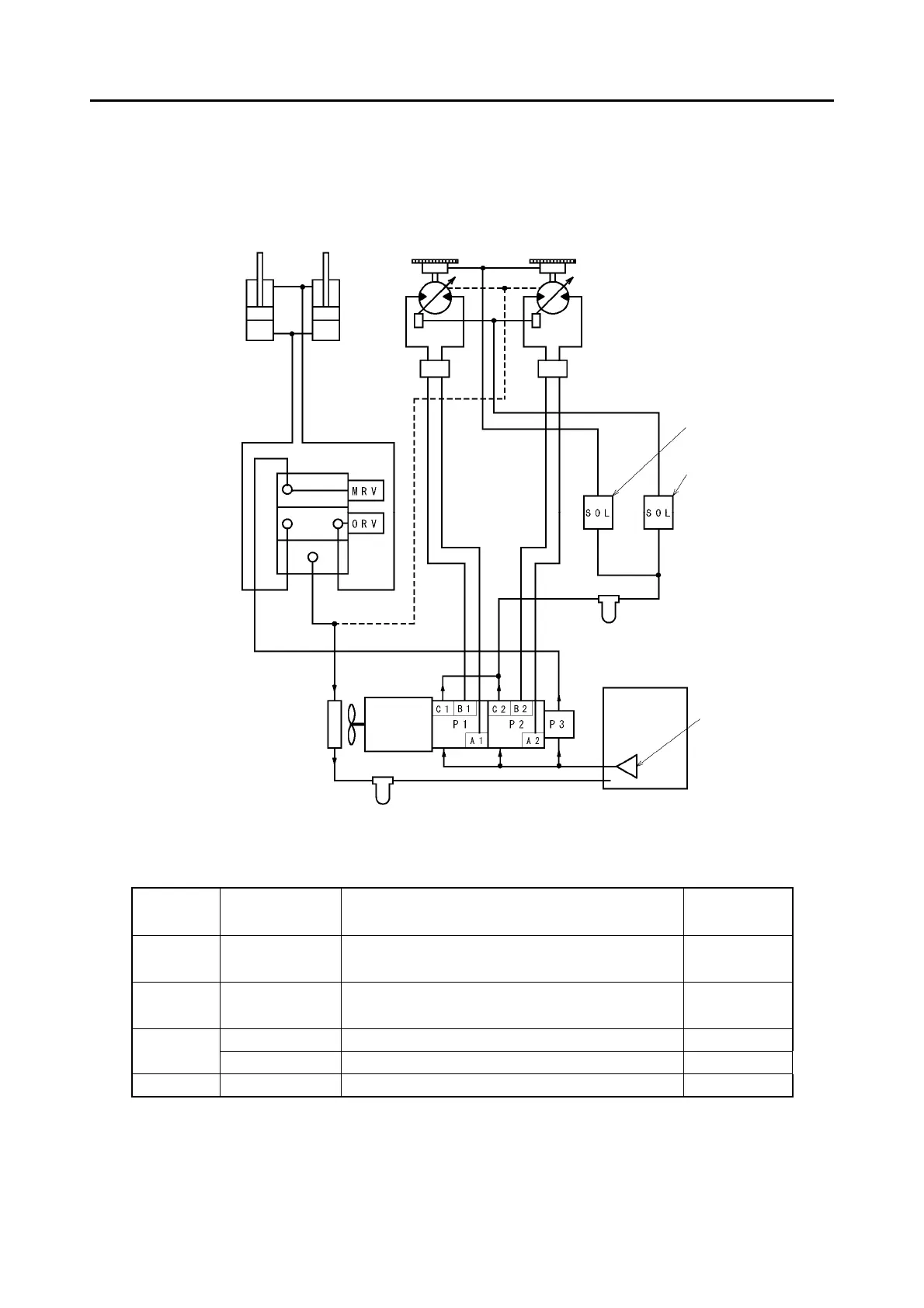
HYDRAULIC SYSTEM
Hydraulic system diagram
Set Pressure for Relief Valves
Locations Item Relief valves
Set pressure
(MPa)
Pump 1
A1: Backward
B1: Forward
Pump relief valves for right travel motor 37.0
Pump 2
A2: Backward
B2: Forward
Pump relief valves for left travel motor 37.0
MRV Main relief valve for dump (Raise) 17.7 Control
Valve
ORV Over load relief valve for dump (Lower) 5.9
Pump1•2 C1•C2 Charge relief valve 2.6
Dump
Right travel Left travel
For parking
brake
For travel
speed select
Line filte
r
Hydraulic
oil tank
Suction
strainer
Return filte
r
Oil coole
r
Control valve
Engine

Table of Contents