EasyManua.ls Logo

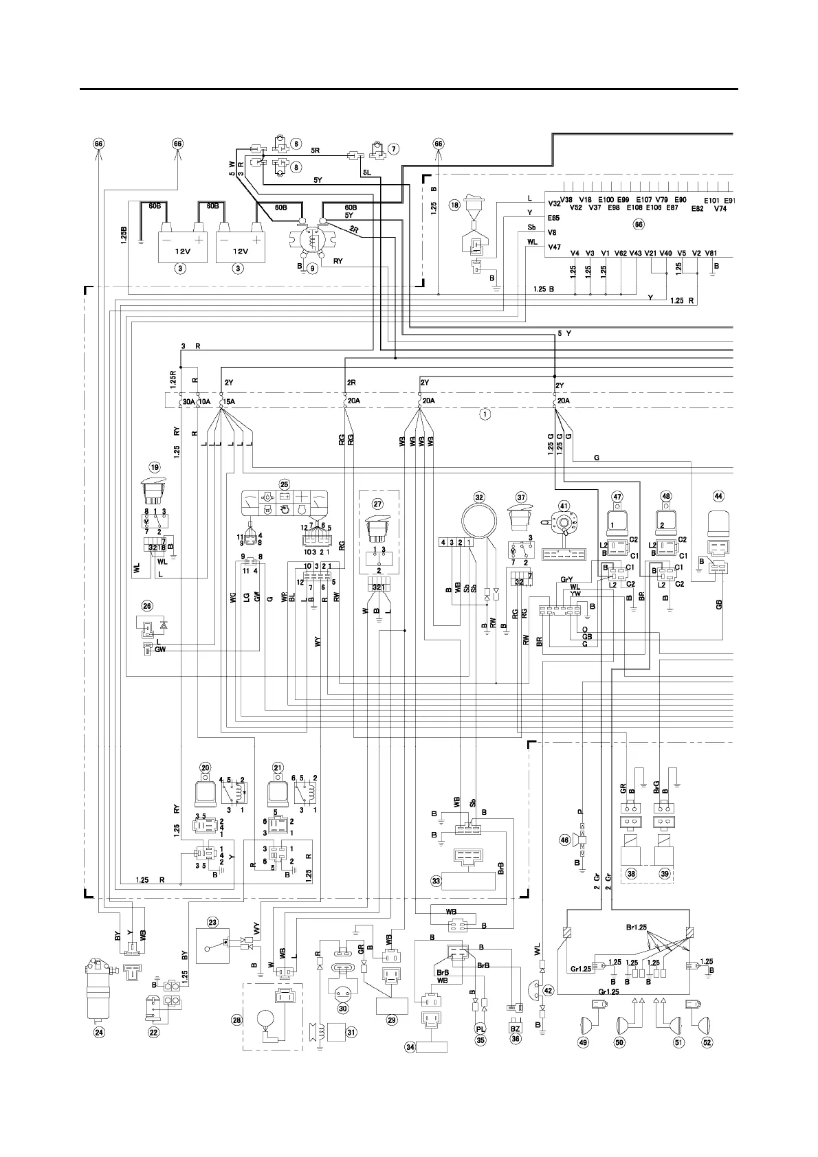
IHI IC75 - Electrical Wiring System Diagram

Default Icon
106 pages
Print Icon
To Next Page IconTo Next Page
To Next Page IconTo Next Page
To Previous Page IconTo Previous Page
To Previous Page IconTo Previous Page
Loading...
MAINTENANCE
IC75 ENG 4-32
Electrical wiring system diagram
INSTRUMENT PANEL

Table of Contents