EasyManua.ls Logo

IHI IC75 - Page 97

Default Icon
106 pages
Print Icon
To Next Page IconTo Next Page
To Next Page IconTo Next Page
To Previous Page IconTo Previous Page
To Previous Page IconTo Previous Page
Loading...
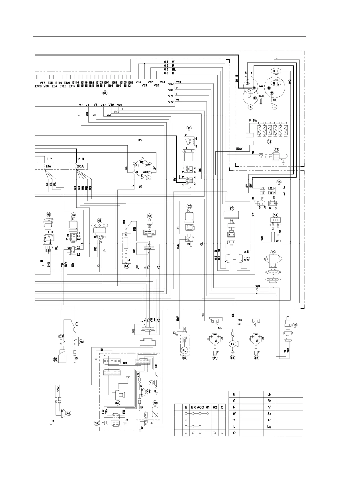
MAINTENANCE
IC75 ENG 4-33
Note:
1. Unless otherwise specified, the wire thickness is AVS-0.75.
2. The connection diagram shows the layout viewed from the plane.
ENGINE
CABIN
Engine key switch contact
Color symbol table
Pre-
heat
OFF
ON
Start
Black
Green
Red
White
Yellow
Blue
Orange
Gray
Brown
Violet
Sky blue
Pink
Light green

Table of Contents