EasyManua.ls Logo

Imesa ECC - Electric Diagrams - Conversion Cabling Ecc;Im7 6141102 X

Imesa ECC
16 pages
Print Icon
To Next Page IconTo Next Page
To Next Page IconTo Next Page
To Previous Page IconTo Previous Page
To Previous Page IconTo Previous Page
Loading...
K2950SCHEDESS_01 K2950SCHEDESS_02 (E141203X)
25/08/2015
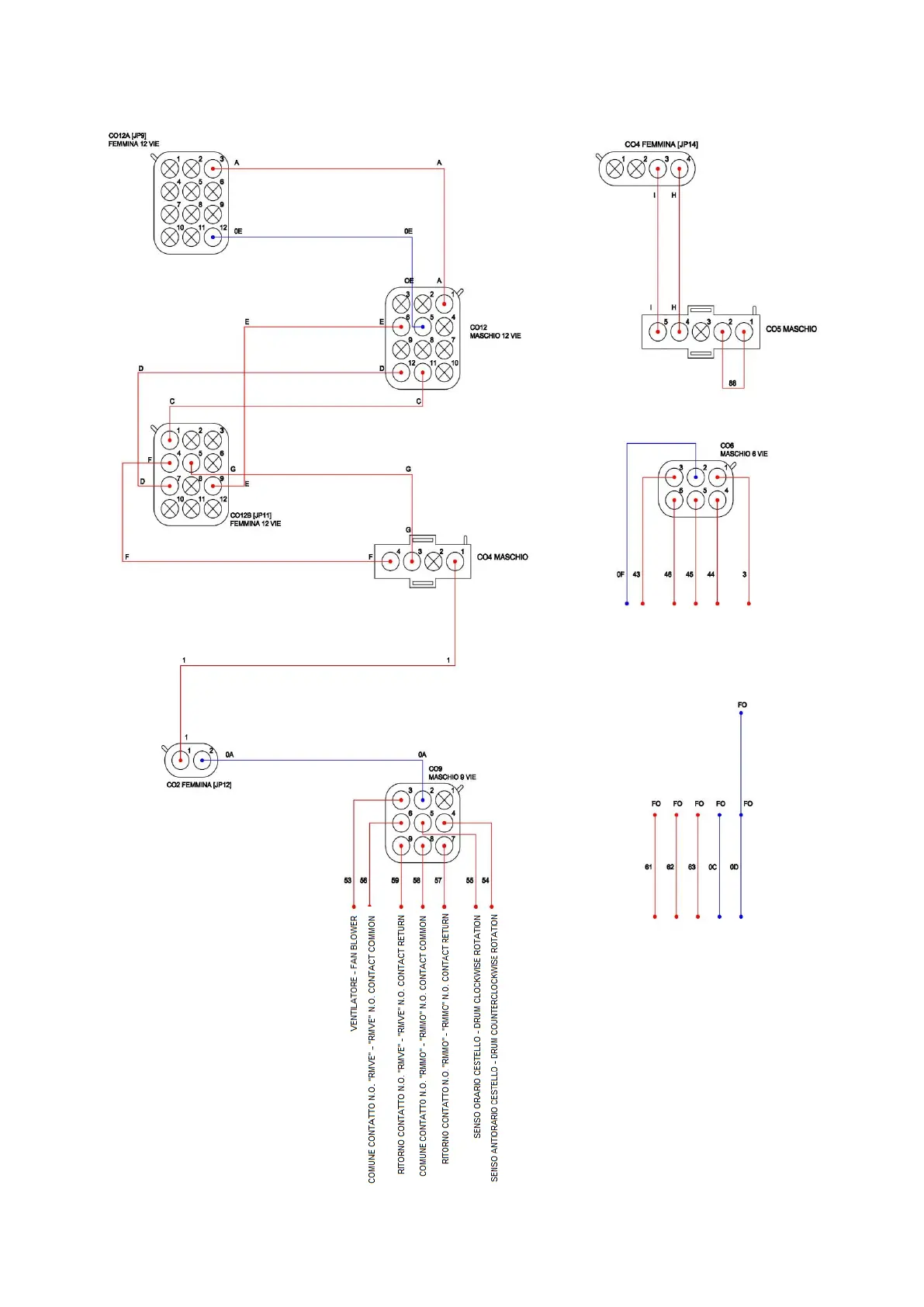
11. ELECTRIC DIAGRAMS - CONVERSION CABLING ECC/IM7 6141102X

Related product manuals