EasyManua.ls Logo

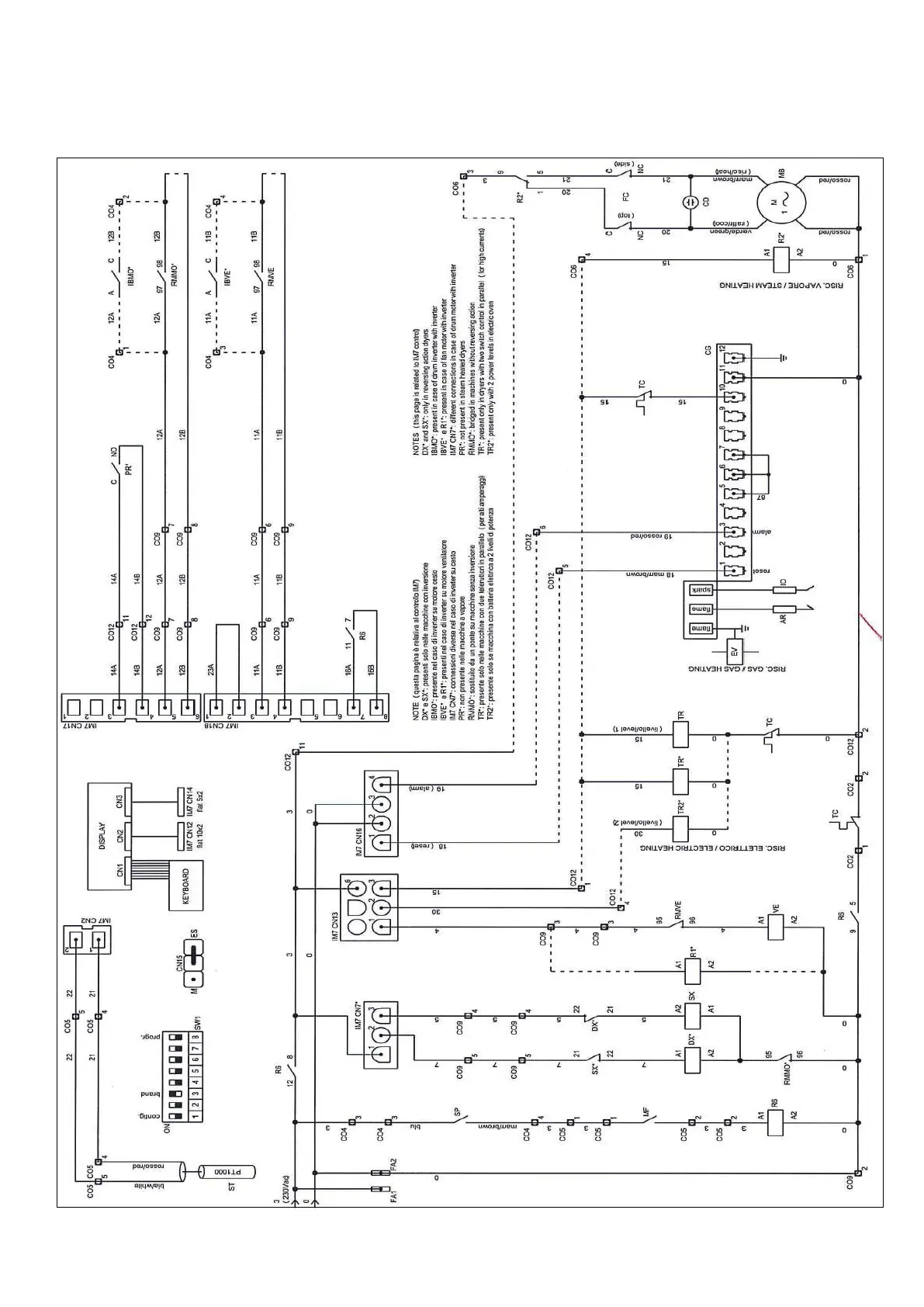
Imesa ECC - Electric Diagram of Im7 Controlled Dryers

Imesa ECC
16 pages
Print Icon
To Next Page IconTo Next Page
To Next Page IconTo Next Page
To Previous Page IconTo Previous Page
To Previous Page IconTo Previous Page
Loading...
K2950SCHEDESS_01 K2950SCHEDESS_02 (E141203X)
25/08/2015
12. ELECTRIC DIAGRAM OF IM7 CONTROLLED DRYERS

Related product manuals