EasyManua.ls Logo

Immergas VICTRIX 75 - Single Boiler Installation; Installation Overview and Options

Immergas VICTRIX 75
48 pages
Print Icon
To Next Page IconTo Next Page
To Next Page IconTo Next Page
To Previous Page IconTo Previous Page
To Previous Page IconTo Previous Page
Loading...
39
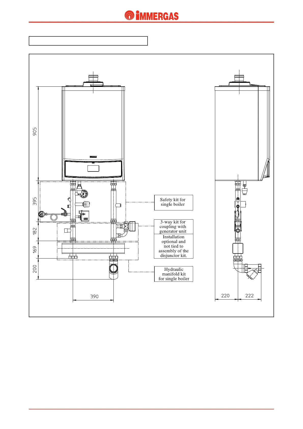
STV75 ed 01/08 VICTRIX 75
Installation of a single VICTRIX 75 boiler.
e VICTRIX 75 boiler can be installed singly and work in the
central heating mode only, to which an external storage tank can
be coupled if wanted, by way of a specic 3-way diverter valve
kit (optional) for the production of domestic hot water with
capacities of 80, 105, 120 and 200 litres, or control the storage
tank as a system zone.
To comply with the ISPESL standards regarding safety in systems
where power is higher than 35 kW, an (optional) ISPESL safety
kit is available.
e distribution manifold kit with lter is available (optional)
for big systems or where the water content is high.
Technical Documentation
Technical Documentation

Related product manuals