EasyManua.ls Logo

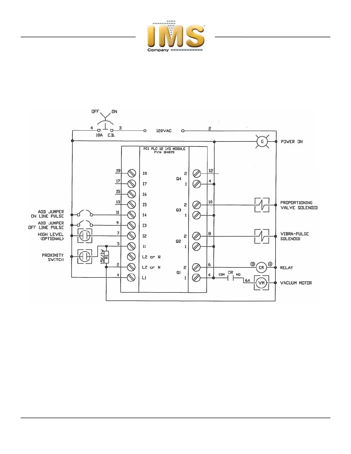
IMS Mini - Diagram for WL1250;1500 PLVP

Default Icon
38 pages
Print Icon
To Next Page IconTo Next Page
To Next Page IconTo Next Page
To Previous Page IconTo Previous Page
To Previous Page IconTo Previous Page
Loading...
© Copyright 2007 IMS Company. All rights reserved. An ISO 9001:2000 Registered Quality Company
21
WIRING DIAGRAM FOR WL 1250A/1500PLVP

Related product manuals