EasyManua.ls Logo

IMS Mini - Diagram for PL1250;1500 PR;VP

Default Icon
38 pages
Print Icon
To Next Page IconTo Next Page
To Next Page IconTo Next Page
To Previous Page IconTo Previous Page
To Previous Page IconTo Previous Page
Loading...
© Copyright 2007 IMS Company. All rights reserved. An ISO 9001:2000 Registered Quality Company
22
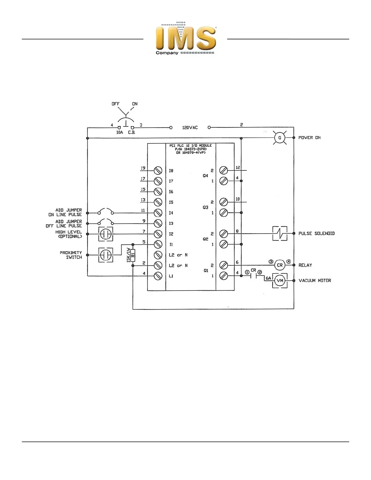
WIRING DIAGRAM FOR WL1250A/1500 PR/VP

Related product manuals