EasyManua.ls Logo

Incon TS-LLD - Page 50

Default Icon
86 pages
Print Icon
To Next Page IconTo Next Page
To Next Page IconTo Next Page
To Previous Page IconTo Previous Page
To Previous Page IconTo Previous Page
Loading...
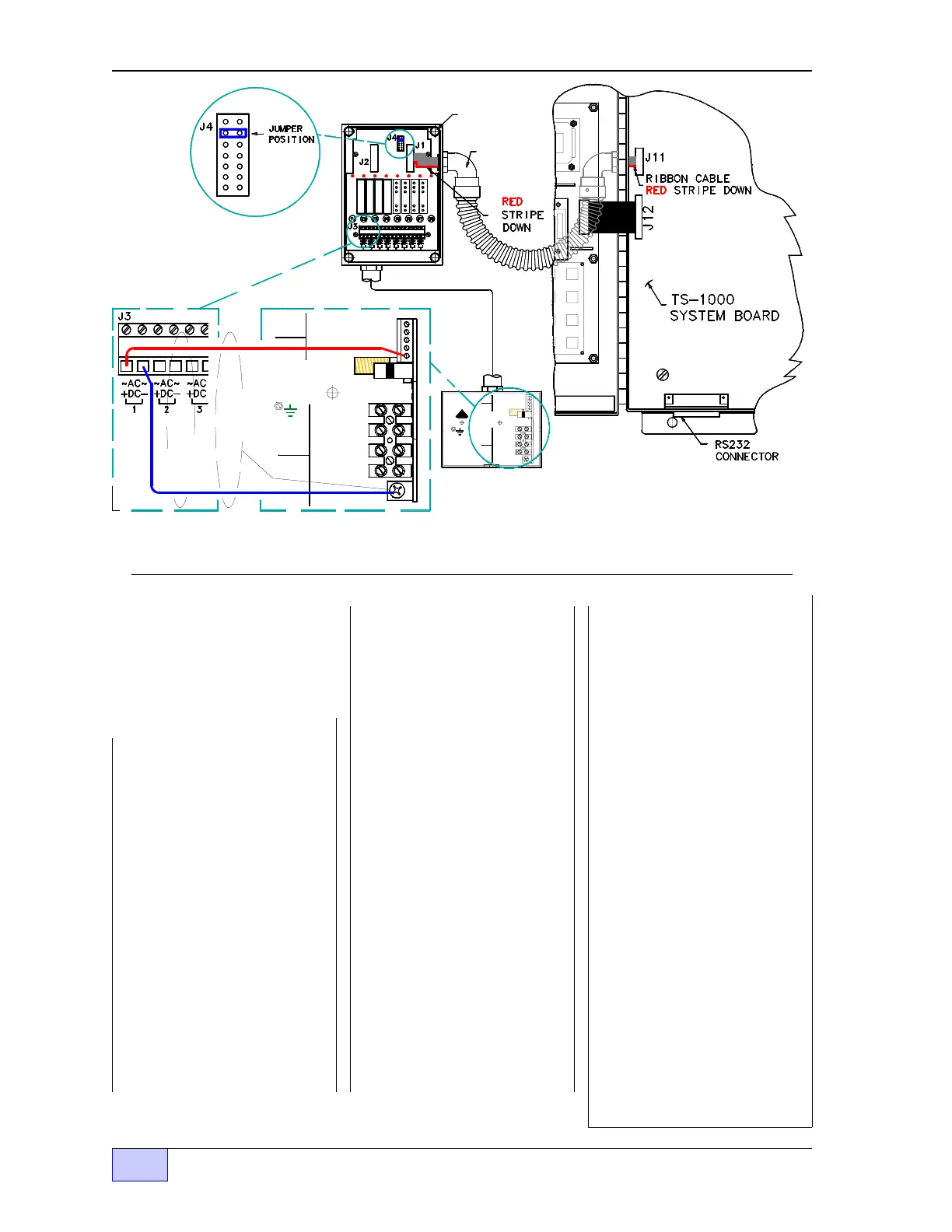
2.4 Page 2.4 - 2 TS-LLD INSTALLATION GUIDE
Figure 2.4-2 TS-1000 – TS-TGI Module – TS-LLD Control Unit Wiring Diagram
TB1
4 P-IN
F1
1 485A
2 485B
3 DSY1
4 DSY2
5 ALARM
TB2
SIG RTN
1 110V
TB1
3 P-OUT
4 P-IN
SIG RTN
2 NEU
UP
F1
TB2
1 485A
2 485B
3 DSY1
4 DSY2
5 ALARM
3 P-OUT
2 NEU
1 110V
- DC
to TB1-
SIG RTN
+ DC to
TB2- 5
(ALARM)
Shield
to TB1-
SIG RTN
Use: Shielded Pair, 20AWG Cable
TS-KB
TS-LLD Control Unit
(CU) / LINE # N
with cover off
TS-TGI
with cover off
(4) #8-32
MOUNTING
SCREWS
TS-TGI
CHANNEL 1 to CU / LINE # 1
wiring shown typical
TS-TGI
Field
Wirin
g
Dia
g
ram
240-1196
Rev. A
TS-1000 Internal View
( with door open )
Example
TS-1000 &
TS-2000 ATG
Reports:
INCON ENVIRONMENTAL
74 INDUSTRIAL PARK RD
SACO ME
SITE # 00001
4 line report header (standard)
6/23/1999 09:45 AM
ALARM REPORT
6/23/1999 09:45 AM
3 GPH LINE LEAK
LINE NO. 1
4 line report header (standard)
6/23/1999 10:08 AM
ACTIVE ALARM REPORT
(Not with TS-2000)
LOW BRI 6
ACTIVE
3 GPH LINE LEAK
LINE NO. 1
4 line report header (standard)
6/31/1999 11:01 AM
ALARM HISTORY REPORT
6/19/1999 03:45 PM
POWER UP
6/23/1999 09:45 AM
3 GPH LINE LEAK
LINE NO. 1
6/29/1999 10:14 AM
.2 GPH LINE LEAK
LINE NO. 4
4 line report header (standard)
6/20/1999 09:05 AM
LINE TEST REPORT
LINE 1
TEST TIME 04:32 PM
TEST DATE 6/19/1999
TEST RESULT PASSED
4 line report header (standard)
6/23/1999 10:12 AM
LINE TEST HISTORY
LINE 1
TEST TIME 04:32 PM
TEST DATE 6/19/1999
TEST RESULT PASSED
TEST TIME 08:19 PM
TEST DATE 6/20/1999
TEST RESULT PASSED
TEST TIME 09:45 AM
TEST DATE 6/23/1999
TEST RESULT FAILED