EasyManua.ls Logo

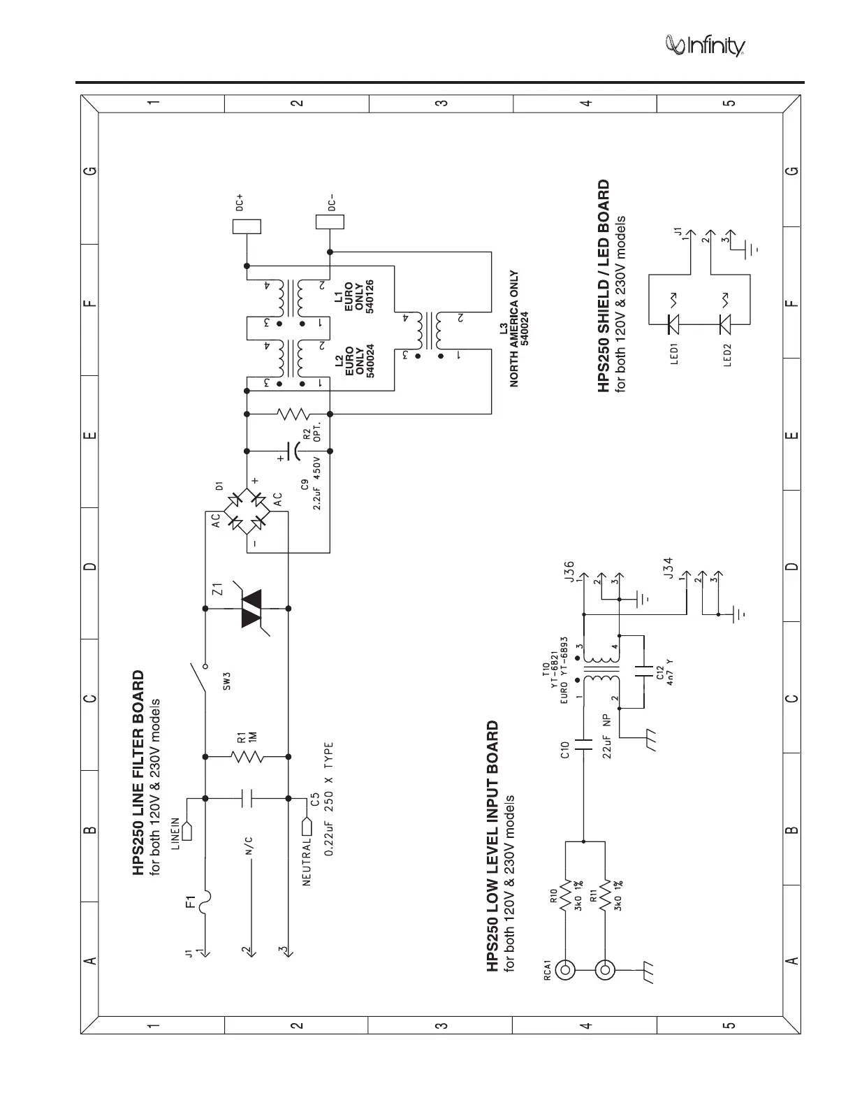
Infinity HPS250 - Schematic Diagrams - Filter, Input, Shield;LED; Line Filter Board Schematic; Low Level Input Board Schematic; Shield;LED Board Schematic

Infinity HPS250
23 pages
Print Icon
To Next Page IconTo Next Page
To Next Page IconTo Next Page
To Previous Page IconTo Previous Page
To Previous Page IconTo Previous Page
Loading...
16
Powered Subwoofer HPS-250
LINE FILTER, LOW LEVEL INPUT, SHIELD/LED BOARD SCHEMATICS

Related product manuals