EasyManua.ls Logo

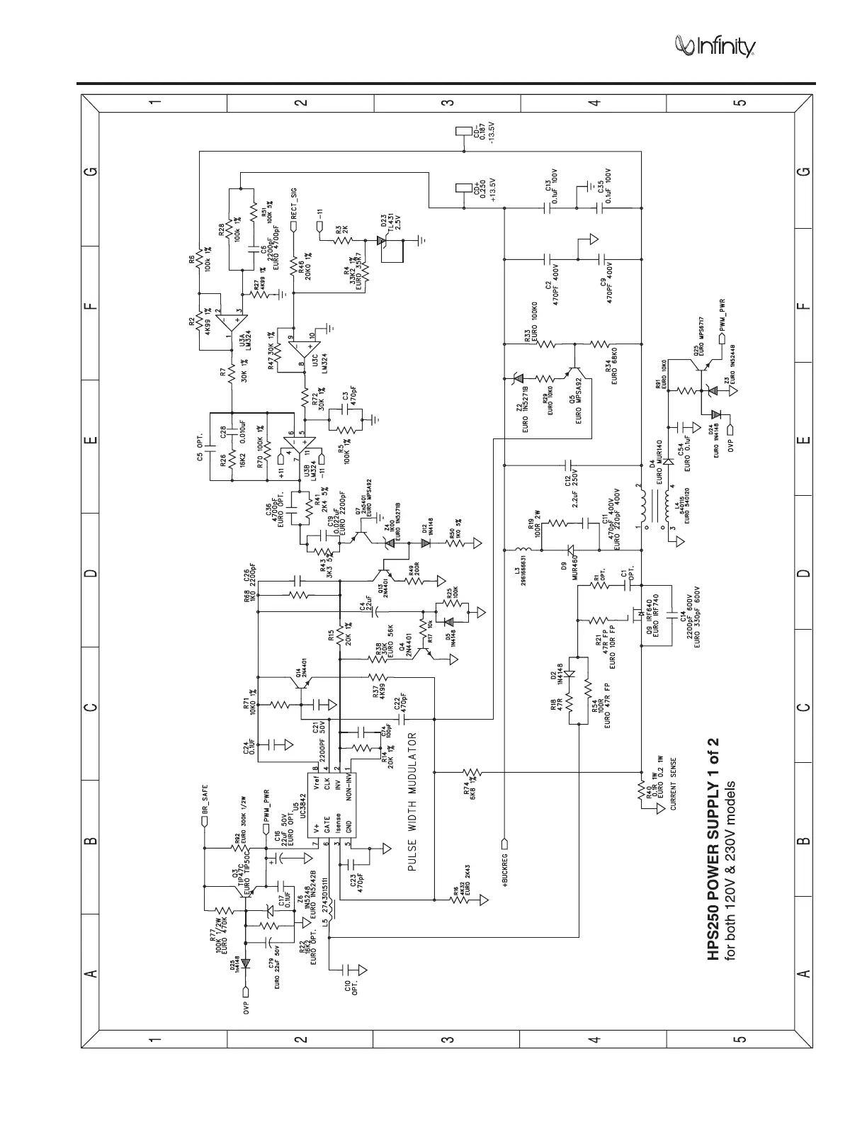
Infinity HPS250 - Power Supply Schematics; Power Supply Schematic 1;2

Infinity HPS250
23 pages
Print Icon
To Next Page IconTo Next Page
To Next Page IconTo Next Page
To Previous Page IconTo Previous Page
To Previous Page IconTo Previous Page
Loading...
20
Powered Subwoofer HPS-250
POWER SUPPLY SCHEMATIC 1 of 2

Related product manuals