EasyManua.ls Logo

Integra DTR-6.4 - Page 69

Integra DTR-6.4
101 pages
Print Icon
To Next Page IconTo Next Page
To Next Page IconTo Next Page
To Previous Page IconTo Previous Page
To Previous Page IconTo Previous Page
Loading...
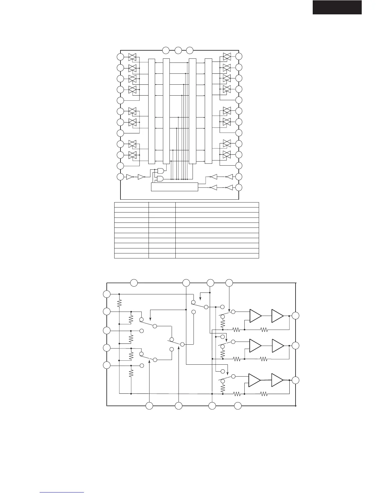
DTR-6.4
IC BLOCK DIAGRAMS AND DESCRIPTIONS
TC9164AF(Function switch)
2
3
4
5
6
7
8
9
10
10
11
11
12
12
13
13
15
15
16
16
17
17
18
18
19
19
20
20
21
21
22
22
23
23
24
24
25
25
26
26
27
27
28
28
14
14
1
VSS GND VDD
S1
S2
COM1
S3
S4
S5
S6
COM2
S7
COM3
ST
DATA
CK
SHIFT REGISTER
S8
1
14
28
2,3,4,6,7,8,10,11
27,26,25,23,22,21,19,18
5,9,12
24,20,17
13
15
16
Symbol
GND
VDD
S1~S8
S1~S8
COM1 ~COM3
COM1 ~COM3
ST
CK
DAT
A
Pin No. Function
Negative power supply
Ground
Positive power supply
Input/output terminals
Input/output terminals
Common terminals
Common terminals
Strobe input terminal for data reading
Clock input terminal for data transfer
Data input terminal for switch
Vss
S1
S2
S4
S3
COM1
S5
S6
COM2
S7
COM3
S8
LEVEL SHIFT
LATCH CIRCUIT
LATCH CIRCUIT
LEVEL SHIFT
V+ SW2 SW1 SW5
Vout1
Vout2
Vout3
SW3
SW4
GND
V-
Vin1
Vin2
Vin3
Vin4
Vin5
20k
20k
20k
20k
S2
S3
S4
20k
20k
20k
6dB
Amp
75Ohm
Driver
6dB
Amp
75Ohm
Driver
6dB
Amp
75Ohm
Driver
S5
S7
S6
S1
5
6
7
8
1
2
3
4
9
16
10
11
15
12
13
14
NJM2595M(Video Selector Switch)

Related product manuals