EasyManua.ls Logo

Integra DTR-6.4 - Page 71

Integra DTR-6.4
101 pages
Print Icon
To Next Page IconTo Next Page
To Next Page IconTo Next Page
To Previous Page IconTo Previous Page
To Previous Page IconTo Previous Page
Loading...
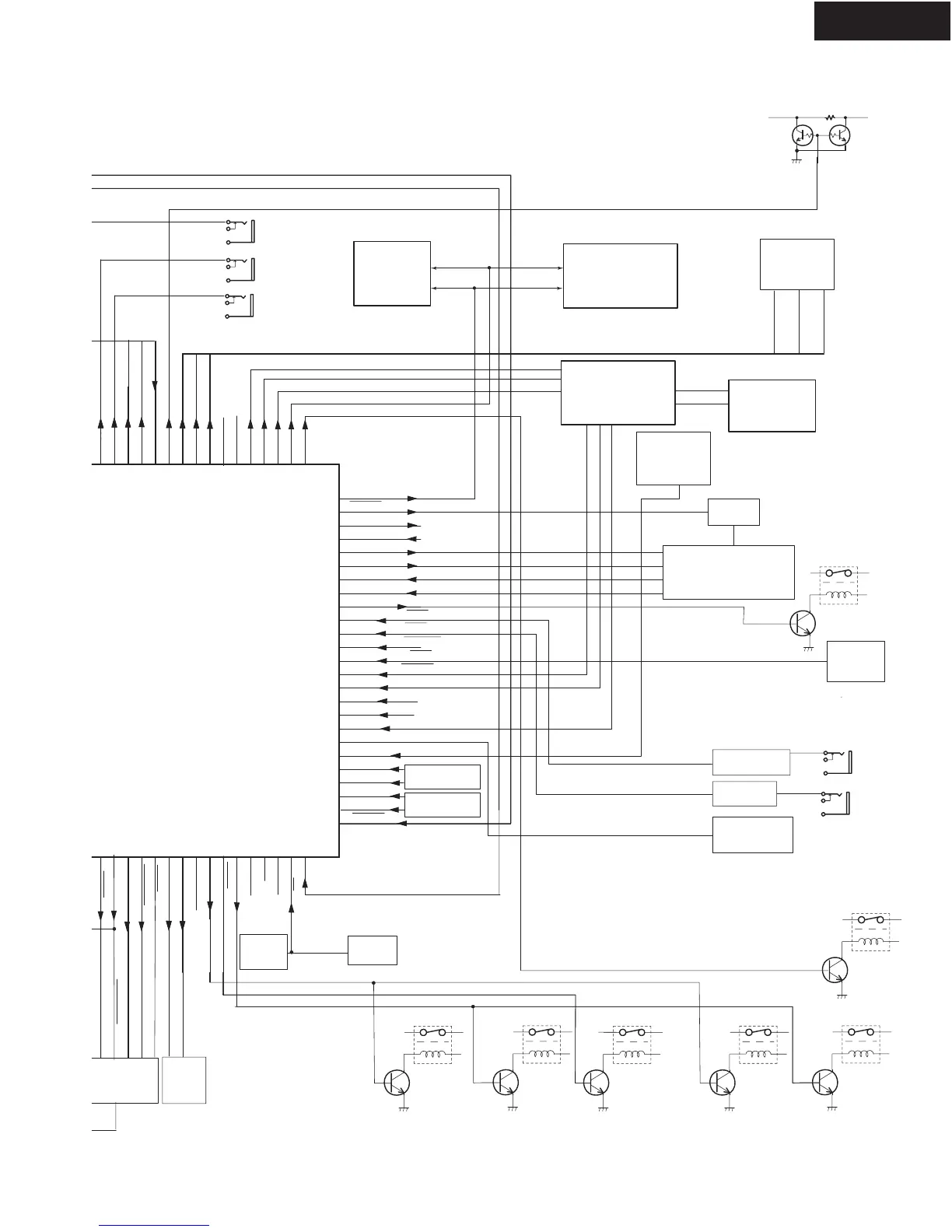
DTR-6.4
MAIN MICROPROCESSOR
CONNECTION DIAGRAM
RL7701
Q7701
HP RELAY
SW
RL6600
Q6601
FRONT SP
RELAY
SW
RL6601
Q6603
ZONE2 SP
RELAY
SW
Q6602
CENTER/SB/
SR SP RELAY
SW
RL6901,RL6902
Q6901
POWER AMP
+B SW
Q7001
0
3030BYGC-J03-8EU
1
2
3
4
5
EVDD
6
76
77
78
79
AVDD71
AVREF73
AVSS72
EVSS 7
86
87
88
89
90
91
92
93
94
95
96
97
98
99
100
8
9
10
11
12
13
14
15
1660
61
62
63
P57/AD1564
65
66
67
68
P64/A2069
70
74
75
80
81
P80/ANI8 82
83
84
85
SD
INT2
INT3
INT4
PTOTECT
T12VA
T12VZ2
DSPCLK
DSPSDC
DSP1HDOUT
Z2MUT
VFSSTB
VFSCLK
VFSDA
OSDCLK
OSDDA
OSDCS
YCSEPCLK
HPRL
YCSEPDA
SUBRST
232TXD
232RXD
SUBCLK
SUBSDO
SUBSDI
SUBRDY
SEC1H
IRZ2
IRIN
RDSCLK
POFF
VSYNC
SYNC
RDSID
RDSDA
SDET
STEREO
INT1
VPPEN
SPF
ADPD
ADCDIV
SPZ2
VOLH
THERMO.
DET.
OUTPUT
VOLTAGE
DET.
Q6701~3
ABNORMAL
VOLTAGE/
CURRENT
DETECTOR
POWER
FAILURE
DET.
Q7502 SUB
MICROPROCESSOR
UPD780233GC-068-8BT
RI
INTERFACE
IR
DEMODULATOR
5V
GND
THRM
+5V
+5V
GND
INITIALIZING
INITIALIZING
Q204
ON SCREEN
DEMODULATOR
LC74763
VIDEO
SELECTOR
SWITCH
BA7625
SPCS
DSP2HACN
DSP2HDOUT
DSP
2
BST
DSPPM
DSP2HACN
R6381,Q6304
THERMAL DET.
CIRCUIT
Q7505
RESET
Q205
VIDEO
CONTROL
SWITCH
TC9164AF
CL
DATA
STB
703 2ND DSP
B86344BPFV
H
X/OOS/BASS
ANAGEMENT
Q113,4
ADC
CS5333
RL5801
Q5801
ZONE2 RELAY
SW
RL5802
Q5802
FRONT RELAY
SW
RL6603,4
DSPSDC
12V TRIGGER
ZONE 2
Q2203
PAL/NTSC
TWO INPUT
ONE OUTPUT
YUV SWITCH
LC74763
Q2005
COM FILTER
TC90A69F
PREOUT
ZONE 2 MUTE
Q5068,9
Q5078,9
12V
TRIGGER
A
12V
TRIGGER
B

Related product manuals