EasyManua.ls Logo

Integra DTR-7 - Using Multi-Room Remote System

Integra DTR-7
64 pages
Print Icon
To Next Page IconTo Next Page
To Next Page IconTo Next Page
To Previous Page IconTo Previous Page
To Previous Page IconTo Previous Page
Loading...
46
Using Multi-Room Remote System
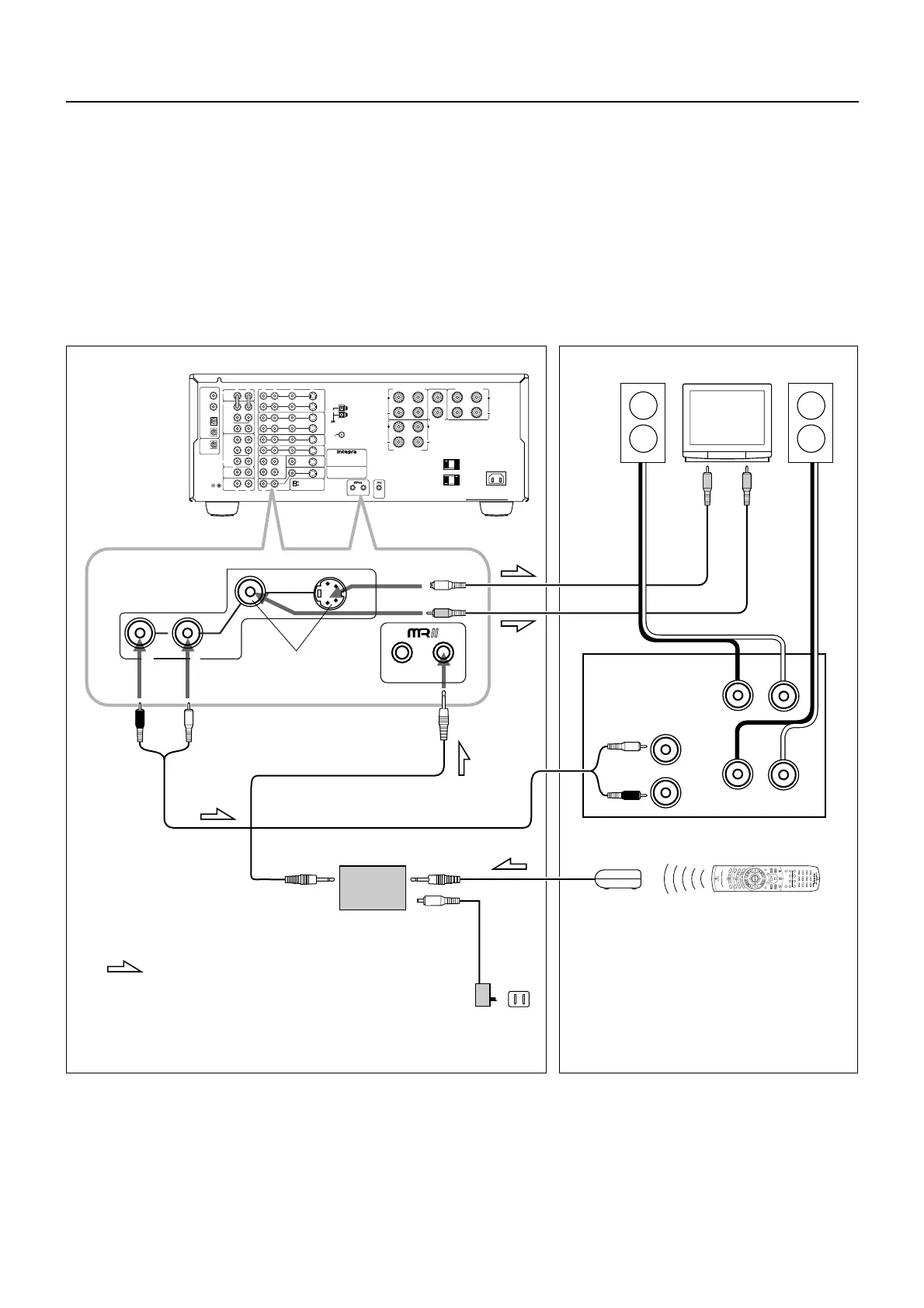
Outline of Multi-room Remote System
If you connect Onkyo Multi-room Remote System components as shown in the figure below, you can control the components from a sub-
room as well as from the room where the DTR-7/DTR-6 is located. The Multi-Room Remote System allows remote operation when the A/V
system is mounted in a cabinet or rack.
The following equipment (sold separately) is essential for using the Onkyo Multi-Room System:
Onkyo's Multi-Room System kits HKT-600 or HKT-700 (IR Remote Controller Extension System), or
Multiroom A/V distribution and control systems from Niles® and Xantech® to name a few
Make connection as shown below. Do not plug the equipment into the power source until the connection is complete.
R
V
L
R
L
R
L
R
L
VIDEO-1
OUT
IN
VIDEO-2
VIDEO-3
OUT
IN
IN
TAPE
VIDEO
S VIDEO
OSD SELECTOR
(REC)
OUT
IN
(PLAY)
DIGITAL OUTPUT
DIGITAL INPUT
COAXIAL
1
COAXIAL
2
OPTICAL
1
OPTICAL
2
OPTICAL
FRONT
FRONT
CENTER
SUB
WOOFER
SURROUND
FRONT
CENTER
CD
PHONO
SUB
WOOFER
SURROUND
AMP IN
PRE OUT
GND
MONITOR
OUT
S
REMOTE
CONTROL
REMOTELOCAL
IN
DVD
LRLR
LR
SURROUND SPEAKERS
FRONT SPEAKERS A
CENTER
SPEAKER
FRONT SPEAKERS B
MULTI CHANNEL
INPUT
MULTI SOURCE
OUT
R
L
AV RECEIVER
CAUTION: SPEAKER IMPEDANCE
6 OHMS MIN. / SPEAKER
ANTENNA
AM
FM
75
AC INLET
AC OUTLETS
AC 120V 60Hz
SWITCHED
TOTAL 120W 1A MAX.
MODEL NO.
DTR-7
REMOTELOCAL
MULTI SOURCE
OUT
R
L
R
L
R
+
+
-
-
L
LR
: Signal flow
Main room Sub room
Mini Plug cable
HB-100
Connecting block
120V AC
(unswitched)
Power
supply
Remote sensor HR-600
Additional Amplifier
S-Video
conection
cable
speaker
TV
speaker
Video connection cable
Remote contoroller
DTR-7 only
Audio connction cable
DTR-7/DTR-6
Connection
example of Onkyo
Multi-room System
kit HKT-600
1
5
2
3
2
4
1. Connect the receiver to the power amplifier.
2. Connect the sub-room speaker cables to the speaker terminals on the power amplifier.
3. Connect the receiver to the TV.(DTR-7 only)
4. Install the Connecting block in the main room, then connect it to the REMOTE jack on the receiver.
5. Install the remote sensor in the sub-room, then connect it to the connecting block in the main room.
Enjoying Music and Movies in the Sub-room

Related product manuals