EasyManua.ls Logo

Integra DTR-8.4 - Connecting the DTR-8.4-Continued; Connecting a Turntable

Integra DTR-8.4
130 pages
Print Icon
To Next Page IconTo Next Page
To Next Page IconTo Next Page
To Previous Page IconTo Previous Page
To Previous Page IconTo Previous Page
Loading...
DTR-8.4
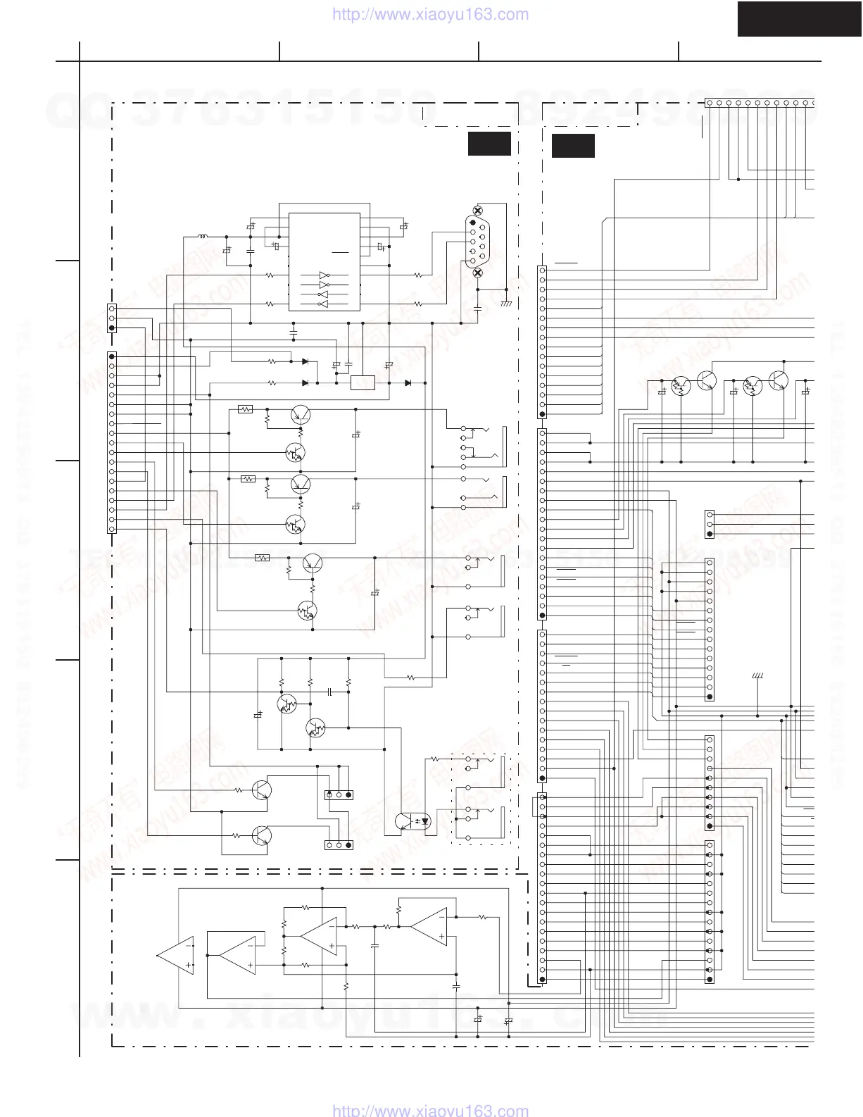
SCHEMATIC DIAGRAM 9 Main and control terminal sections
P204
P202
P203
P7201B
Q2913
NJM4565M
3
2
1
Q2910
NJM4565M
3
2
1
Q2913
NJM4565M
5
8
6
4
7
Q2910
NJM4565M
5
8
6
4
7
Q201
MPD4721GS
C1+2
C1-4
C4+ 20
C4-
18
C5+
5
C5-6
7
8
14
13
GND
19
12
11
9
10
VCC3
VCHA15
VDD1
VSS
17
STBY
16
L201
BLM21A102F
P201
RS-232
C206
104Z
C233
104Z
C205
104Z
C225
104Z
C223
47/16
C2921
100/6.3
C2917
10/16
C2918
10/16
C222
47/16
C207
100/6.3
C201
1/50
C202
1/50
C203
1/50
C204
1/50
C221
47/16
C232
1000/25
C231
10/16
C2903
10/16
C2904
10/16
C2902
10/16
R205
330
R208
330
R203
330
R201
330
D201
1SS352
D202
1SS352
D203
1SS352
E2903
R2910
2.2K
R2911
1K
R2921
3.3K
R2922
10K
R2923
10K
R232
1K
R231
1K
R212
220
R2906
10K
R2905
10K
R211
100
R224
1K
R221
2.2K
R223
2.2K
R222
1K
R234
150
2W
R233
0.22
R2914
22K
R2915
22K
R2916
22K
R2918
1.5K
R2917
1.5K
R2919
22K
R2908
1.5K
Q2911
RN1402
Q2922
RN1402
Q2921
RN1402
Q223
RN1402
Q221
RN1402
Q211
PC817X
Q233
NJM78M56
G
I O
Q2912
2SB1068
Q224
2SB1068
Q222
2SB1068
P6830B
(SCH. 7)
P6832B
TO NAETC-7695
(SCH. 7)
JL931A
P4012A
Q232
2SC2712
Q231
2SC2712
Q2905
2SC2712
Q2907
2SC2712
P2901B
Q2904
RN2402
Q2906
RN2402
Q
R
R2909
RXE030
R227
RXE030
R228
RXE030
C2922
223J
C2908
272J
C2916
122J
SUBREQ
5.6S
RLGND
RLGND
MAINCL
MAINSO
SUBSO
NETTX
NETRX
232TX
232RX
SUBREQ
232TXD
MAINCL
MAINSO
SUBSO
232RXD
NET
SUBRES
MAINREQ
SUBPOFF
SDA
5.6S SCL
+13V DSPCL
GNDDAC XRESET
GNDDAC
DSPDA
+24V XDARST
RLGND XDACS
RLGND DAMUTE
DTADIM
+12V GNDDSP
12TRGB GNDDSP
12TRGA GNDDAC
SPRLF GNDDAC
SPRLZ +5VDSP
POWER +5VDAC
12TRGZ -15V
232RXD +15V
232TXD RDSDET
HPL
RI AMUT
HPE
IRIN Z2MUT
HPR
HPMUT
Z2LMUT
TNCL
GND
TNDA
GND
TNCS1
TNCS2
GND
VLSTB
+15V
VLDA
TNCL
VLCL
TNDA
TNCS1
AFCL
TNCS2
AFDA
VLSTB
AFSTB
VLDA
STEREO
VLCL
SD
AFCL
TUMUT
AFDA
PLLCE
AFSTB
POWER
SPRLF
SPRLZ2
12VTRGZ
12VTRGB Z2MUTE
12VTRGA AMUTE
PDIRECT HPMUTE RD
S
5.6S RZ2R +5
V
+13S GNDADIN -1
5
RT
G
GNDADIN GNDADIN +1
RT LT
G
GNDADIN GNDADIN
ST
E
LT RZ2L
S
TU
DOSBL DOSBL V
L
GND GND
V
L
DOSBR DOSBR PL
GND GND
A
F
DOL DOL A
F
GND2 GND2 AF
DOR DOR
GND GND
DOSL DOSL R
Z
GND GND
GN
D
DOSR DOSR
R
GND GND
GN
D
DOC
L
GND GND
GN
D
DOSW DOSW R
Z
Except TX-
NAETC-8083
NAAR-8078
U41
U45
TO NAETC-7694
NAPS-7691
(SCH.7)
P7004A TO NADG-7687 (SCH.2)
P7002A TO NADG-7687 (SCH.2)
P7003A TO NADG-7687 (SCH.2)
P800A TO NADG-7687 (SCH.2)
(SCH.1)
P4020A
P4011A
(SCH.4)
P4010A
(SCH.4)
(SCH.4)
(SCH.2)
A
1
2
3
4
5
BCD
35
w
w
w
.
x
i
a
o
y
u
1
6
3
.
c
o
m
Q
Q
3
7
6
3
1
5
1
5
0
9
9
2
8
9
4
2
9
8
T
E
L
1
3
9
4
2
2
9
6
5
1
3
9
9
2
8
9
4
2
9
8
0
5
1
5
1
3
6
7
3
Q
Q
TEL 13942296513 QQ 376315150 892498299
TEL 13942296513 QQ 376315150 892498299
http://www.xiaoyu163.com
http://www.xiaoyu163.com