EasyManua.ls Logo

Integra DTR-8.4 - Connecting the DTR-8.4-Continued; Connecting a Power Amp; Connecting Components

Integra DTR-8.4
130 pages
Print Icon
To Next Page IconTo Next Page
To Next Page IconTo Next Page
To Previous Page IconTo Previous Page
To Previous Page IconTo Previous Page
Loading...
DTR-8.4
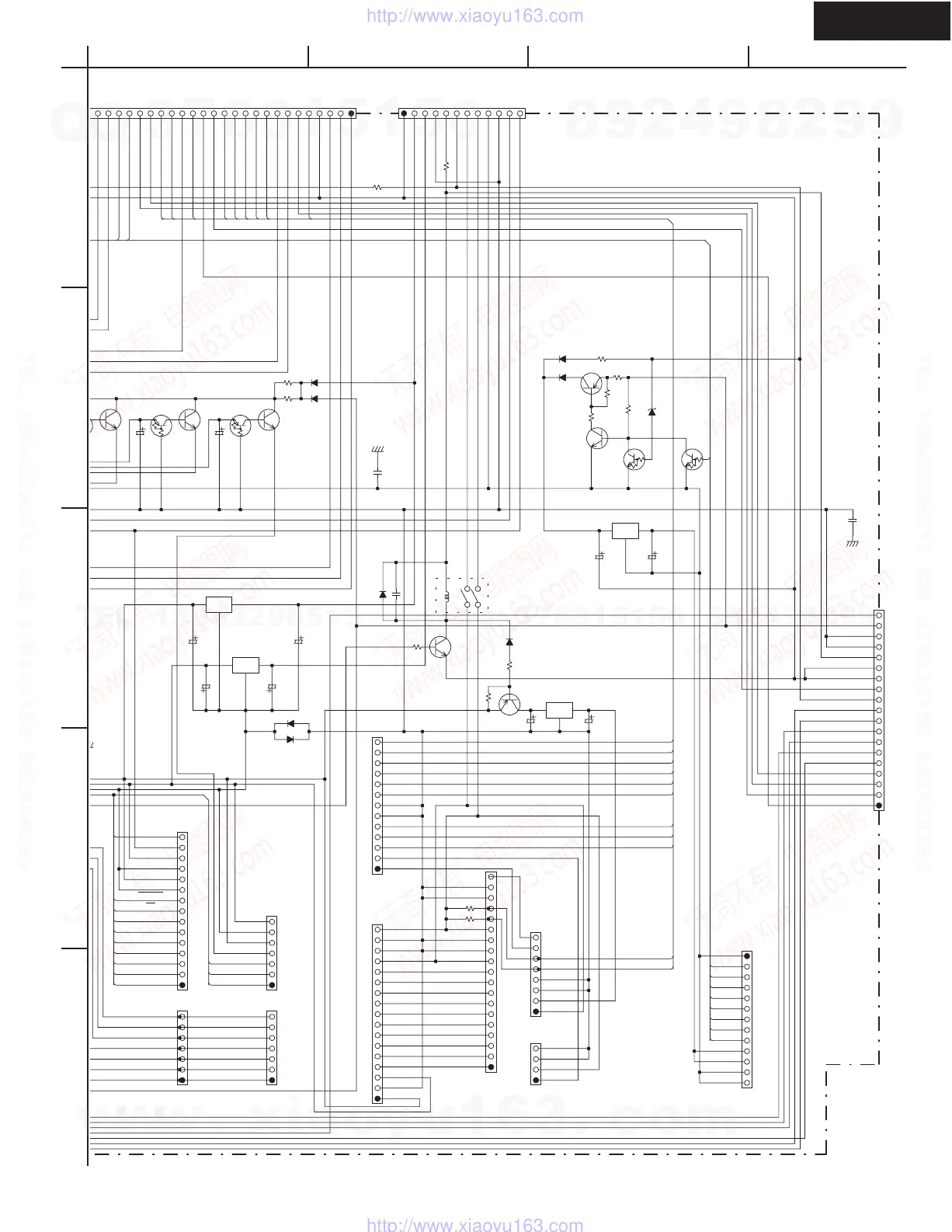
SCHEMATIC DIAGRAM 9 Main and control terminal sections
D2933
UDZ5.6B
P9502B
C2910
104Z
C2906
102K
C2901
104Z
C2928
10/35
C2927
10/35
C2932
10/16
C2931
1000/16
C2902
10/16
C2905
10/16
C2924
10/35
C2923
10/35
C2925
10/35
C2926
10/35
D2920
1SS352
D2932
RL1N4003
D2931
RL1N4003
D2901
1SS352
D2902
1SS352
D2903
1SS352
D2923
1SS352
D2922
1SS352
E2902
03
R2926
10K
R2925
10K
R2924
R2920
R2935
3.3K
R2932
3.3K
R2933
22
(1/2W)
R2934
22K
R2931
1
1/2W
R2902
1K
R2903
1K
R2912
4.7
1/2W
R2901
1K
R2913
2.2
1/2W
Q2935
RN1402
Q2933
RN1402
Q2934
78M56
G
I O
Q2923
78M15HF
G
I
O
Q2920
2SB1132
Q2931
2SB1068
Q2932
KTC3875
Q2907
2SC2712
Q2903
2SC2712
Q2909
2SC2712
Q2901
2SC2712
P3210A P3211A
P3010A
P3011A
P604A
Q2924
79M15HF
G
I
O
Q2925
78L09A
G
I O
0
2
Q2902
RN2402
Q2908
RN2402
RL2901
MAINSO
SUBSO
NETTX
NETRX
232TX
232RX
VSYNC
VDCL
SUBRES
VDDA
REMIN
DTADIM
OSDCS
OSDCL
OSDDA
ISS
SYNC
MAINREQ
SUBPOFF
RI
VDSTB
RLGND
HPL
HPE
HPR
RLGND
+18V
-18V
GNDDAC
+12V
-5VVIDEO
+5VVIDEO
GNDDSP
GNDDAC
+5VDSP
+5VDAC
NET
5.6S
+13S
GNDDAC
GNDDAC
+24V
RLGND
RLGND
DTADIM
+12V
12VTRGB
12VTRGA
SPRLF
ISS SPRLZ2
VSYNC POWER
OSDCS 12VTRGZ
OSDDA 232RX
OSDCL 232TX
SYNC RI
GNDDAC REMIN
GNDDAC
VDSTB
RDSDET VDDA
+5VDAC VDCL
-15V RS10
GND
RS8
+15V
GNDDAC
GND
CPMUT
GNDDAC
STEREO
SD
TUMUT -15V
+5V +5V
VLCL
GND
GNDDAC GNDDAC
VLDA +15V
RS8
GNDDAC GNDDAC
PLLCE Z2LMUTE
GNDDSP
SDA
-5V -5V
AFDA AFDA
DAMUTE
SCL
VCR VCR
AFCL AFCL
XDACS
GNDDAC
VBR VBR
AFSTB AFSTB
DSPDA
GNDDAC
VAR VAR
DSPCL
+9V
VCI VCI
XDARST
-5V
VBI VBI
RZ2R RZ2R
NETTX
VAI VAI
GNDADIN GNDADIN
NETRX
LS4 LS4
RT RT
XRESET
LS3 LS3
GNDADIN GNDADIN GNDDAC
+5VNET
LS2 LS2
LT LT
GNDDAC
+5VNET
LS1 LS1
GNDADIN GNDADIN +5V
GNDDSP
-15V
RZ2L RZ2L
RS10
GNDDSP
GNDDAC
+15V
+24V
10K
10K
(SCH.7)
(SCH.3)
(SCH.3)
P2901A
(SCH.9)
(SCH.8)
P2855A
P2505A
P2705A
(SCH.10)
(SCH.10)
(SCH.10)
P2006A
P2005A
(SCH.11)
(SCH.11)
(SCH.3)
(SCH.3)
A
1
2
3
4
5
BCD
36
w
w
w
.
x
i
a
o
y
u
1
6
3
.
c
o
m
Q
Q
3
7
6
3
1
5
1
5
0
9
9
2
8
9
4
2
9
8
T
E
L
1
3
9
4
2
2
9
6
5
1
3
9
9
2
8
9
4
2
9
8
0
5
1
5
1
3
6
7
3
Q
Q
TEL 13942296513 QQ 376315150 892498299
TEL 13942296513 QQ 376315150 892498299
http://www.xiaoyu163.com
http://www.xiaoyu163.com