EasyManua.ls Logo

Intel BLKDG41TX - Block Diagram

Intel BLKDG41TX
90 pages
Print Icon
To Next Page IconTo Next Page
To Next Page IconTo Next Page
To Previous Page IconTo Previous Page
To Previous Page IconTo Previous Page
Loading...
Product Description
13
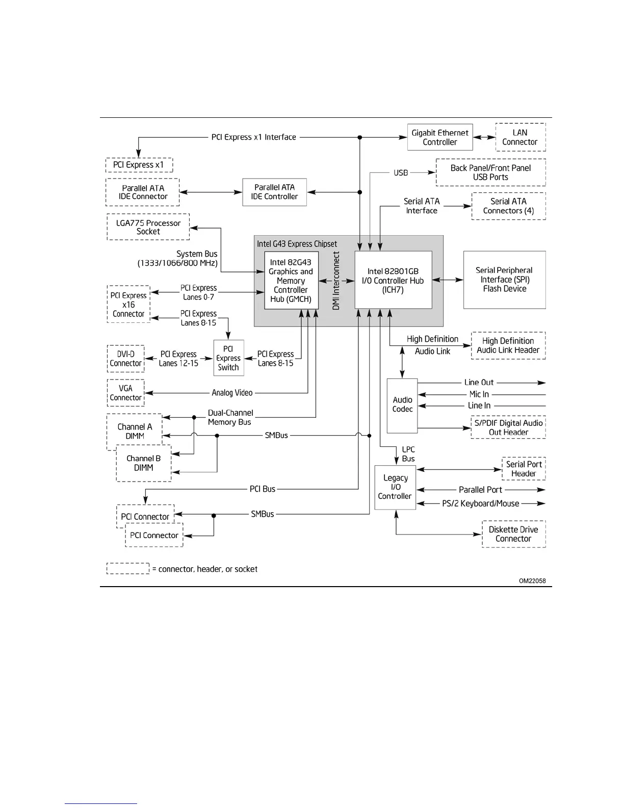
1.1.3 Block Diagram
Figure 2 is a block diagram of the major functional areas.
Figure 2. Block Diagram

Table of Contents

Related product manuals