EasyManua.ls Logo

Intel MultiProcessor - Default Configuration for Discrete APIC

Intel MultiProcessor
97 pages
Print Icon
To Next Page IconTo Next Page
To Next Page IconTo Next Page
To Previous Page IconTo Previous Page
To Previous Page IconTo Previous Page
Loading...
Default Configurations
Version 1.4 5-3
B
C
D
A
0
1
2
3
4
5
6
7
8
9
10
11
12
13
14
15
0
1
2
3
4
5
6
7
IRQ1
0
1
2
3
4
5
6
7
I/O
82489DX
APIC
MASTER
8259A PIC
SLAVE
8259A PIC
IRQ8#
14
15
14
15
8254 TIMER
9
10
11
9
10
11
IRQ3-7,
9-12,14,15
IRQ13
EISA DMA CHAINING
FERR#
IGNNE#
ICC BUS
INTR
FERR
SAMPLING
PRSTPNMI PINT
LINTIN0 LINTIN1
NMI RESET
NMI
RESET
INTR
LOCAL
82489DX APIC
CPU 1
NMI
INTR
PRSTPNMI PINT
LINTIN0 LINTIN1
LOCAL
82489DX APIC
NMI INTR
CPU 3
IMCR
I/O BUS
ExtINTA
INTA
TRAP
ExtINTA
INTA
TRAP
INTEL486
RESET
GLUE
INTEL486
E0
REG.
MARK
FROM BSP
INTA
BSP AP2
EDGE/LEVEL TRIGGER
POLARITY CONTROL
12
ABFULL
(PS/2 MOUSE)
LITM3-7,
9-12,14,15
LITMx
IRQx
ABFULL
SAMPLING
12
13
8
3
4
5
6
7
3
4
5
6
7
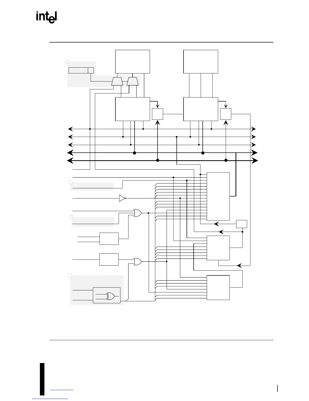
SHADED AREAS:
A: OPTIONAL IF VIRTUAL WIRE MODE IS IMPLEMENTED
B,C: MAY NOT BE EXTERNALIZED WITH SOME EISA CHIPSETS
C,D: EISA BUS SPECIFIC
Figure 5-1. Default Configuration for Discrete APIC

Table of Contents

Related product manuals