EasyManua.ls Logo

Intel MultiProcessor - Default Configuration for Integrated APIC

Intel MultiProcessor
97 pages
Print Icon
To Next Page IconTo Next Page
To Next Page IconTo Next Page
To Previous Page IconTo Previous Page
To Previous Page IconTo Previous Page
Loading...
Default Configurations
Version 1.4 5-5
A
B
C
0
1
2
3
4
5
6
7
8
9
10
11
12
13
14
15
0
1
2
3
4
5
6
7
IRQ1
0
1
2
3
4
5
6
7
I/O
APIC
MASTER
8259A PIC
SLAVE
8259A PIC
IRQ8# INT8
14
15
14
15
8254 TIMER
9
10
11
9
10
11
3
4
5
6
7
3
4
5
6
7
INTR
NMI
REG.
MARK
LOCAL
APIC
LOCAL
APIC
APICEN
PENTIUM (735\90, 815\100)
CPU2
BSP AP
INIT
SMI#
ICC BUS
INTR/LINT0
NMI/LINT1
INIT
SMI#
IMCR
E0
IRQ3-7,
9-12,14,15
IRQ13
EISA DMA CHAINING
FERR#
IGNNE#
FERR
SAMPLING
FROM BSP
EDGE/LEVEL TRIGGER
POLARITY CONTROL
12
ABFULL
(PS/2 MOUSE)
LITM3-7,
9-12,14,15
LITMx
IRQx
ABFULL
SAMPLING
12
13
PIRQ
MAPPING
PIRQ0-3
3-7,9-11,14,15
D
PENTIIUM (735\90, 815\100)
CPU1
APICEN
SHADED AREAS:
A,B: MAY NOT BE EXTERNALIZED WITH SOME EISA CHIPSETS
B,C: EISA BUS SPECIFIC
D: PCI BUS SPECIFIC
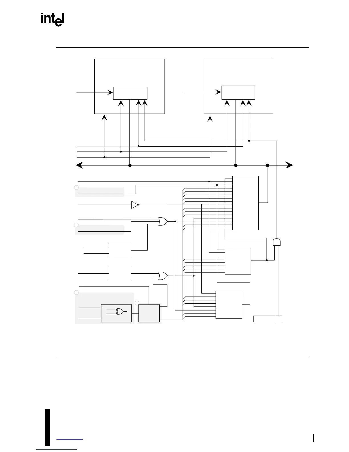
Figure 5-2. Default Configuration for Integrated APIC
Two local interrupt input pins, LINT0 and LINT1, are shared with the INTR and NMI pins,
respectively. The LINT0, LINT1, SMI# and INIT signals are switched by APICEN, and they

Table of Contents

Related product manuals