EasyManua.ls Logo

Inxpect LBK System - Page 66

Inxpect LBK System
72 pages
Print Icon
To Next Page IconTo Next Page
To Next Page IconTo Next Page
To Previous Page IconTo Previous Page
To Previous Page IconTo Previous Page
Loading...
66
LBK System| Instruction manual v1.3 SEP 2019 |LBK-System_instructions_en v1.3|© 2018-2019 Inxpect SpA
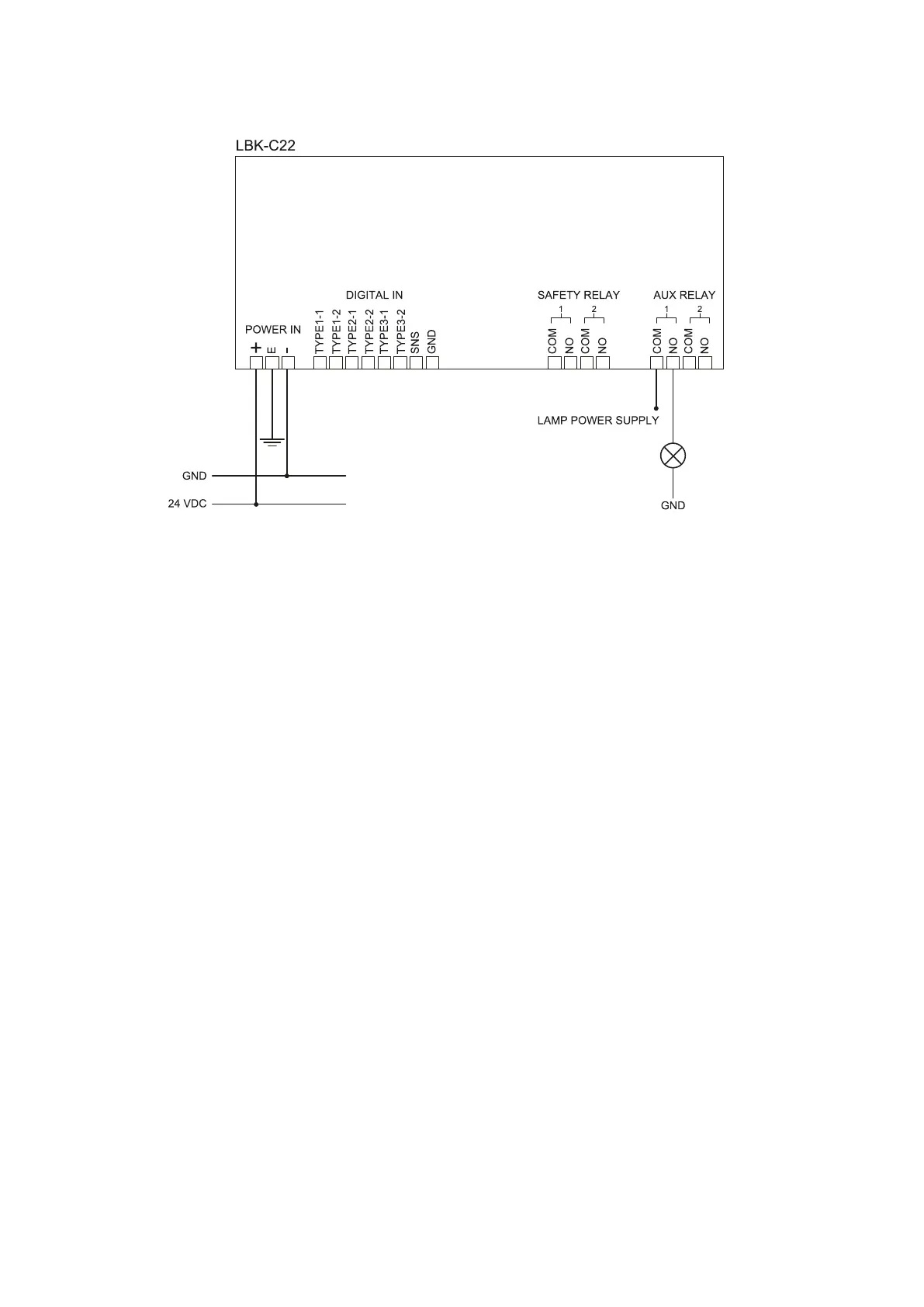
9.3.7 Pre-alarm output connection
9. Technical references

Other manuals for Inxpect LBK System

Related product manuals