EasyManua.ls Logo

iPower GXS11300RT - Engine Maintenance; Engine Oil Level Check and Maintenance; Engine Oil Change Procedure

Default Icon
43 pages
Print Icon
To Next Page IconTo Next Page
To Next Page IconTo Next Page
To Previous Page IconTo Previous Page
To Previous Page IconTo Previous Page
Loading...
1
2
3
1
5
6
4
10-3
10-4
9
8
7
10
11
12
13
10-1
10-2
22
23
84
15
28
20
28
27
53 55 56
56 55
53
44
51
50
49
24
16
39
40
28
48
47
45
37
30
29
31
46
83
77
35
41
35
76
83
83
36
35
35
36
83
16
34
56
38
14
26
52
52
54
54
25
18
19
28
17
16
78
33
59
60
57
58
61
24
56
24
42
43
78
58 32
30
29
30
29
30
29
75
28
74
73
28
62
63
64
65
66
67
68
69
70
71
72
28
21
80
79
81
82
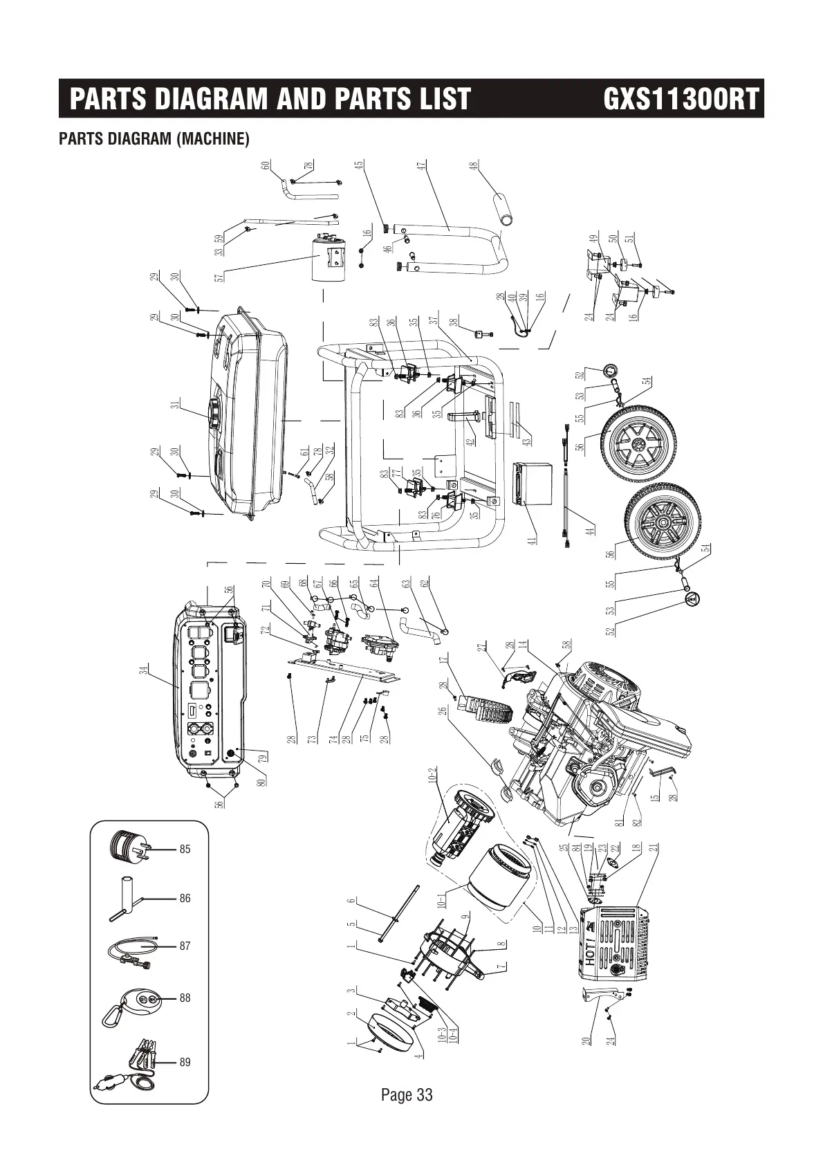
Page 33
PARTS DIAGRAM (MACHINE)
PARTS DIAGRAM AND PARTS LIST GXS11300RT
85
86
87
88
89

Other manuals for iPower GXS11300RT

Related product manuals