EasyManua.ls Logo

ISA T1000 PLUS - Page 106

ISA T1000 PLUS
145 pages
Print Icon
To Next Page IconTo Next Page
To Next Page IconTo Next Page
To Previous Page IconTo Previous Page
To Previous Page IconTo Previous Page
Loading...
DOC. MIE91093 Rev. 1.34 Page 106 of 145
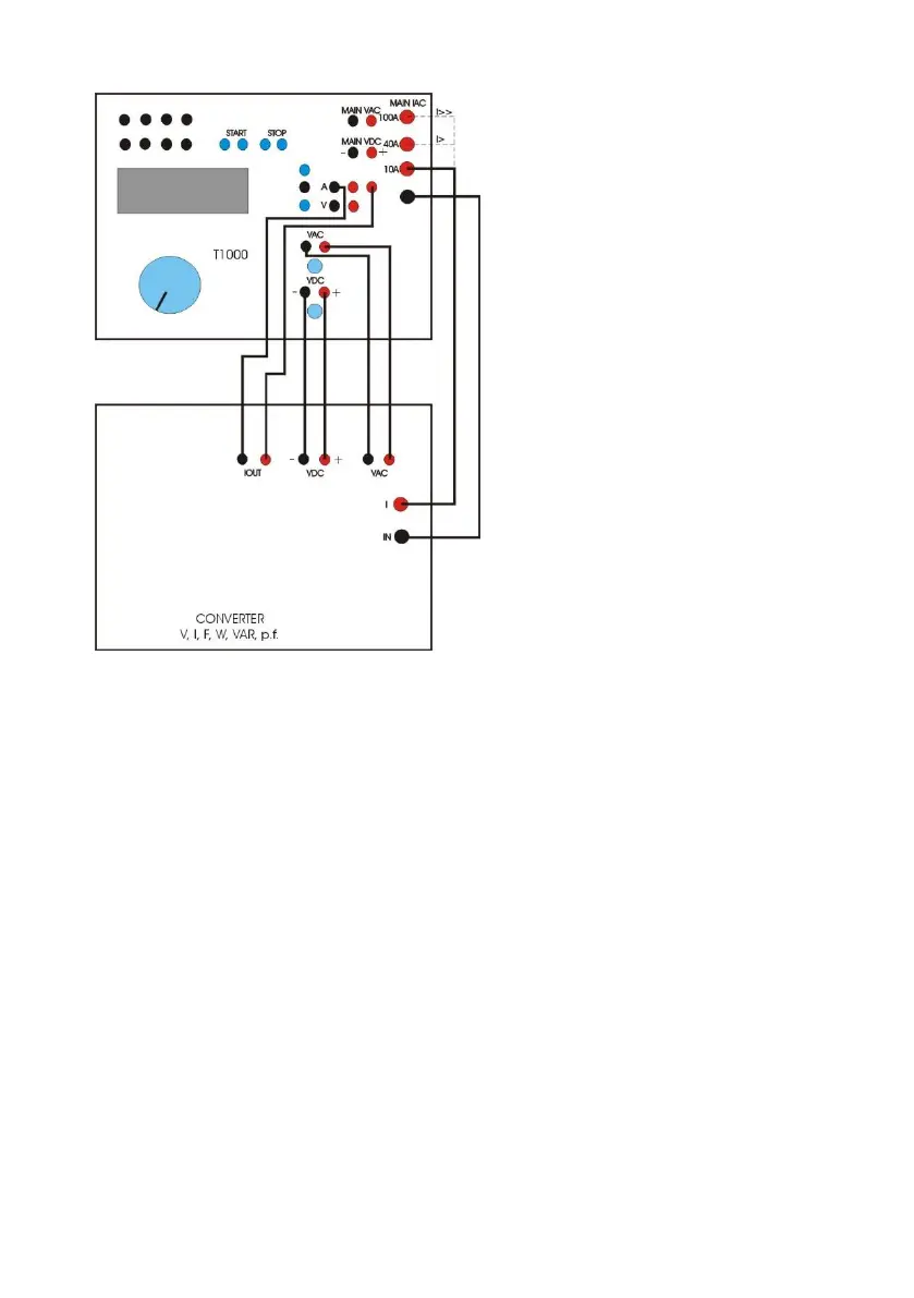
The test procedure is simple:
. Firs of all, supply the converter and measure the zero input
current (nominally 4 mA).
. Next, select values to be generated; compute the
corresponding current measurement, and prepare a calibration
table.
. Next, generate the selected parameters, measure the
reading, report it to the table and compute the converter
error.
For instance, you want to test a current converter with the
following characteristic:
I0 = 4 mA; I100 = 20 mA.
From this, the nominal output current as a function of the
input current is:
Iout = 4 + Iin * (20-4)/100 = 4 + 0.16 * Iin

Table of Contents

Other manuals for ISA T1000 PLUS

Related product manuals