EasyManua.ls Logo

ISA T1000 PLUS - Connection to the Relay

ISA T1000 PLUS
145 pages
Print Icon
To Next Page IconTo Next Page
To Next Page IconTo Next Page
To Previous Page IconTo Previous Page
To Previous Page IconTo Previous Page
Loading...
DOC. MIE91093 Rev. 1.34 Page 115 of 145
A typical nominal characteristic of a transformer differential
relay is displayed in the figure above.
Testing the relay means to check the characteristic curve.
1.15.4 Connection to the relay
First of all we have to determine the connection schematic.
Assumptions:
Group: YY0
Tap 1 = 1
Tap 2 = 1
There is now some difference between testing with the
external TD1000 module or with the TD1000 model.
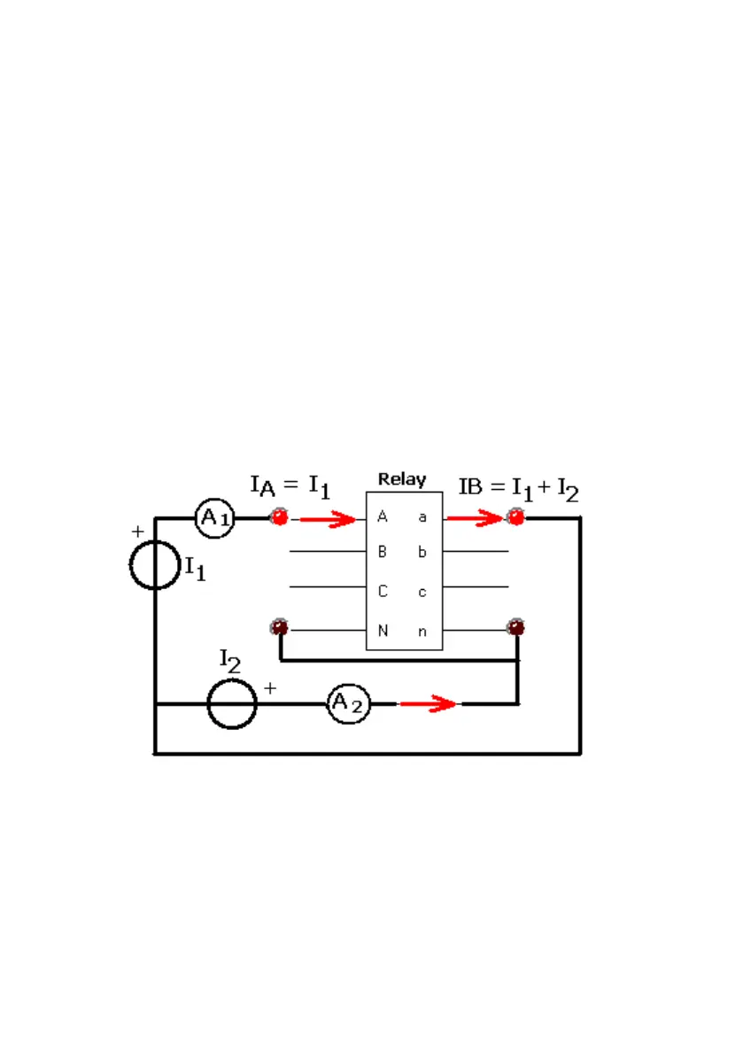
When using the external D1000 option, the connection is
as follows.
T1000 PLUS generates the current I1, connected as
displayed above.
D1000 generates the current I2.
A1 is the internal measure of T1000 PLUS.
A2 is the External measure of T1000 PLUS .
The test principle is that we apply the restraint current to two
inputs, primary and secondary, of one phase of the differential

Table of Contents

Other manuals for ISA T1000 PLUS

Related product manuals