EasyManua.ls Logo

ISA T1000 PLUS - Page 116

ISA T1000 PLUS
145 pages
Print Icon
To Next Page IconTo Next Page
To Next Page IconTo Next Page
To Previous Page IconTo Previous Page
To Previous Page IconTo Previous Page
Loading...
DOC. MIE91093 Rev. 1.34 Page 116 of 145
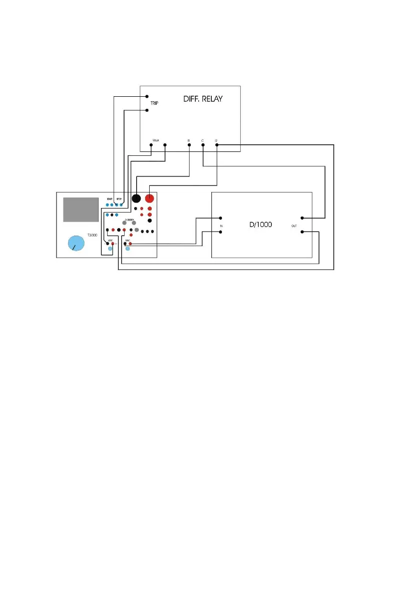
relay, while we apply the differential current only to one side.
The connection scheme is the following.
The following is the D1000 front panel. There are two pairs of
sockets: IN and OUT. IN is to be connected to the VCAUX
output of T1000 PLUS; D1000 converts the voltage into
current, and generates the differential current, that is
measured prior to connection to the relay. So, when we say
that the differential current is to be adjusted, this means
adjusting the auxiliary voltage.

Table of Contents

Other manuals for ISA T1000 PLUS

Related product manuals