EasyManua.ls Logo

Jack JK-8995 - Machine Frame & Miscellaneous Cover Components

Default Icon
92 pages
Print Icon
To Next Page IconTo Next Page
To Next Page IconTo Next Page
To Previous Page IconTo Previous Page
To Previous Page IconTo Previous Page
Loading...
,
fJL'ie,
~;Him
1lf:
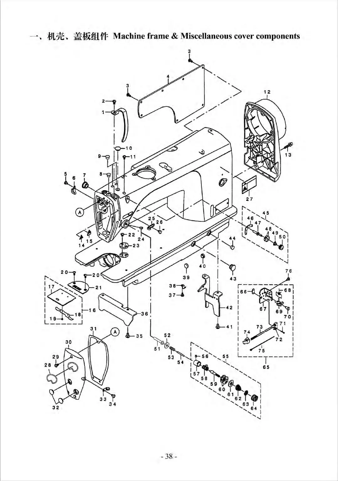
Machine frame & Miscellaneous cover components
3
"'
3
>
2--,
,0
1 2
.
/
'11
/
/
<
.
- 38 -

Table of Contents

Related product manuals