EasyManua.ls Logo

Jacobsen LF 4677

Jacobsen LF 4677
270 pages
Go to English
To Next Page IconTo Next Page
To Next Page IconTo Next Page
To Previous Page IconTo Previous Page
To Previous Page IconTo Previous Page
Loading...
114
ABCDEFGH
SW-5
SW-4
SW-3
1
1
2
2
2
3
ABCDEF
J
DB
DB
Pk/Bu
Pk/Bk
Og/Wh
Pu/Gn
Pu/Gn
Rd/Ye
LB/Rd
LB/wh
DB/wh
Og/Gn
Rd/Ye
LB/Rd
LB/wh
DB/wh
DB/wh
Og/Gn
Og/Wh
Pk/Bu
Og/Wh
Og/Ye
Pk/Bk
DG
DG
DG
DB
+
+
K-4
K-1
K-19
U-7
SW-1
SW-2
CB-1
F-1
F-2
F-3
L-1
L-2
R-1
K-2
M-1
B-1
U-5
U-6
U-1
U-2
U-3
U-4
K-3
K-20
L
L
B
S
S
G
G
I
Og/Wh
Og/Wh
Og/Wh
Og/Wh
Ye/Wh
Ye/Wh
Ye/Wh
Ye/Wh
Ye/Wh
Bk
Bk
Bk/Wh
Bk/Wh
Bk/Wh
Bk/Wh
Bk/Wh
Bk
Bk
Bk
Bk
Bk
Bn/Ye
Bn/Ye
Bn/Ye
2
3
85
85
86
86
30
30
87
87
87A
8586
30
87
87A
87A
Lb/Bk
Lb/Bk
Og/Bu
Og/Bu
Og/Bu
H
P
G
Wh
Wh
B
S
F
Rd
Rd
Rd
Rd
Rd
Rd
Rd
Rd
Pu/Wh
B
B
I
I
S
Rd/Wh
Og
L
+
LF 3400/ LF 3800
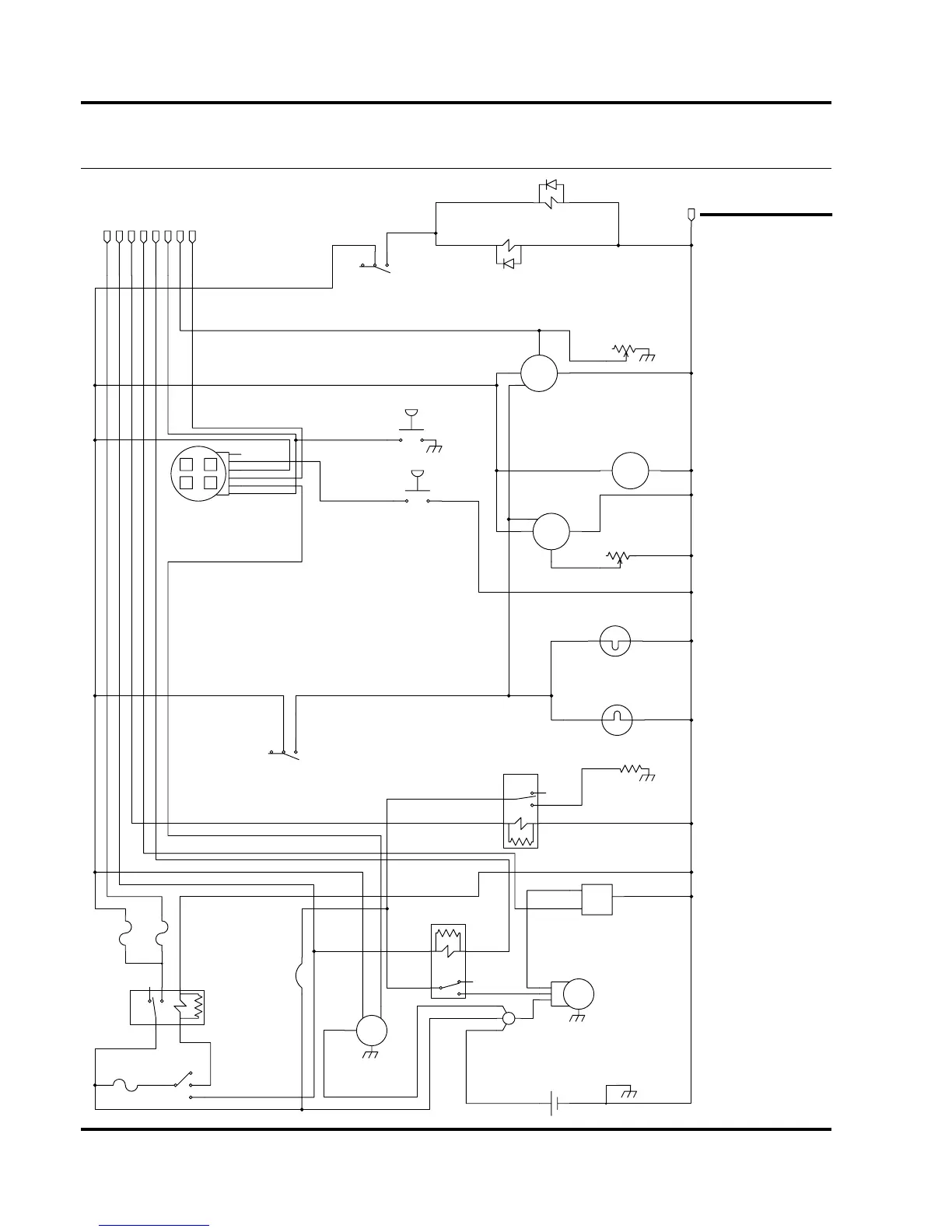
59.1 Electrical Schematic
7 Gang Units (LF 4675 and LF 4677)
Serial No. All
LF34-35
Components
B-1 Battery
CB-1 Circuit Breaker
F-1 3 Amp Fuse
F-2 20 Amp Fuse
F-3 25 Amp Fuse
F-4 3 Amp Fuse
K-1 Glow Plug Relay
K-2 Fuel Solenoid
K-3 4WD Solenoid
K-4 Starter Relay
K-5 Lift Solenoid
K-6 Lower Solenoid
K-7 Rear Reel Valve
F Solenoid
K-8 Front Reel Valve
F Solenoid
K-9 Rear Reel Valve
R Solenoid
K-10 Front Reel Valve
R Solenoid
K-11 RWing Reel
Valve F Solenoid
K-12 RWing Reel
Valve R Solenoid
K-13 LWing Reel Valve
F Solenoid
K-14 LWing Reel Valve
R Solenoid
K-15 RWing Lift
Solenoid
K-16 Front Lift
Solenoid
K-17 LWing Lift
Solenoid
K-18 Cruise Solenoid
K-19 Ignition Relay
K-20 4WD Solenoid
K-21 Rear Lift Solenoid
L-1 Left Work Light
L-2 Right Work Light
L-5 Oil Level Light
M-1 Starter
R-1 Glow Plugs
SW-1 Ignition Switch
SW-2 Light Switch
SW-3 Filter Switch
SW-4 Engine Oil
Pressure Switch
SW-5 4WD Switch
SW-6 Seat Switch
SW-7 Brake Switch
SW-9 Neutral Switch
SW-11 Cruise Switch
SW-12 Oil Level Switch
SW-13 Horn Switch
SW-14 Backlap Switch
SW-15 RF Limit Switch
SW-16 LF Limit Switch

Table of Contents

Other manuals for Jacobsen LF 4677

Related product manuals