EasyManua.ls Logo

Jacobsen LF 4677

Jacobsen LF 4677
270 pages
Go to English
To Next Page IconTo Next Page
To Next Page IconTo Next Page
To Previous Page IconTo Previous Page
To Previous Page IconTo Previous Page
Loading...
116
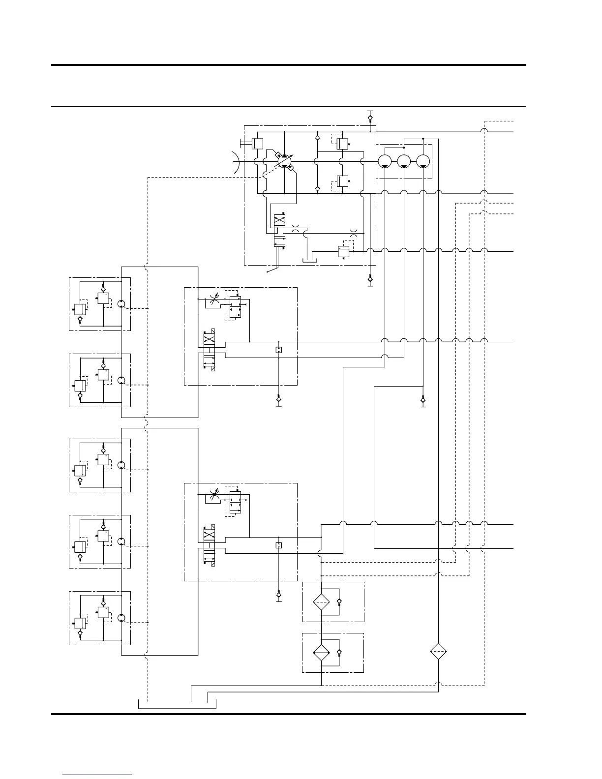
A
B
P
G
T
A
B
P
T
.5 ci .5 ci .5 ci
3625 psi
3625 psi
Supply
.036
Drain
.031
285 psi
2.81 ci
Displacement
Control
Tow
Valve
Reverse
Diag.
Forward
Diag
3000
RPM
A
B
Traction
Pump
Gear
Pump
Rear
Reel
Valve
G
Front
Reel
Valve
1167
psi
1167
psi
LR Reel Motor
RR Reel Motor
*
*
1167
psi
LF Reel Motor
*
1167
psi
C Reel Motor
*
1167
psi
RF Reel Motor
*
Reel
Diag.
Reel
Diag.
Strg.
Diag.
10
Micron
25 psi
Crack
Bypass
30 psi
Crack
Bypass
100
Mesh
Screen
Return
Filter
Oil
Cooler
A
B
B
D
E
F
G
H
J
* Reel Motor Displacement
LF-3400 .72 ci
LF-3800 1.01 ci
LF 3400 / LF 3800
60.1 Hydraulic Schematic
5 Gang Units (LF 3400, LF 3800 and LF 3400 Turbo)
Serial No. All
LF34-37

Table of Contents

Other manuals for Jacobsen LF 4677

Related product manuals