EasyManua.ls Logo

JBL EVOi.sys - Applications

JBL EVOi.sys
36 pages
Print Icon
To Next Page IconTo Next Page
To Next Page IconTo Next Page
To Previous Page IconTo Previous Page
To Previous Page IconTo Previous Page
Loading...
26
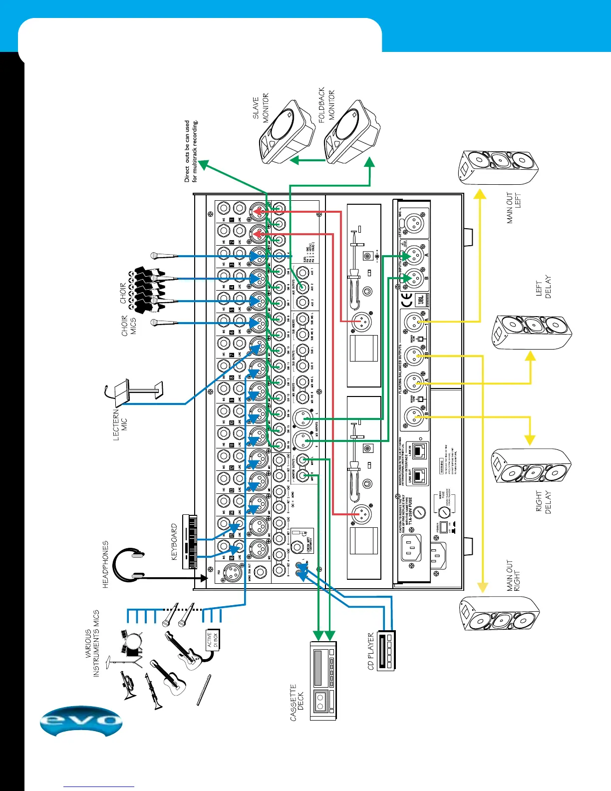
APPLICATIONS
BALANCED UNBALANCED
BALANCED
LINE MIC
POWER
AC/DC 12-16 V
20 mA
Set: XXXX
SNR: XXXXX
For IM-free frequencies
refer to manual
BALANCED UNBALANCED
BALANCED
LINE MIC
POWER
AC/DC 12-16 V
20 mA
Set: XXXX
SNR: XXXXX
For IM-free frequencies
refer to manual
HOUSE OF WORSHIP

Related product manuals