EasyManua.ls Logo

JBL JSR-400 - Page 64

JBL JSR-400
67 pages
Print Icon
To Next Page IconTo Next Page
To Next Page IconTo Next Page
To Previous Page IconTo Previous Page
To Previous Page IconTo Previous Page
Loading...
7
6
10
13
9
11
12
8
J
AB
C
DE
G
FHI
47/16
C46
C45
47/16
R59
47
R58
47
+
+
+
+
+
+
+
+
+
+
+
+
+
+
+
+
+
+
+
+
+
+
5
9
4
4
8
3
3
3
3
7
2
2
2
2
2
2
6
1
1
1
1
1
1
5
4
4
3
3
3
2
2
2
2
2
1
1
1
1
1
I
I
I
I
G
G
G
G
0
0
0
0
1
1
1
1
2
2
2
2
3
3
3
3
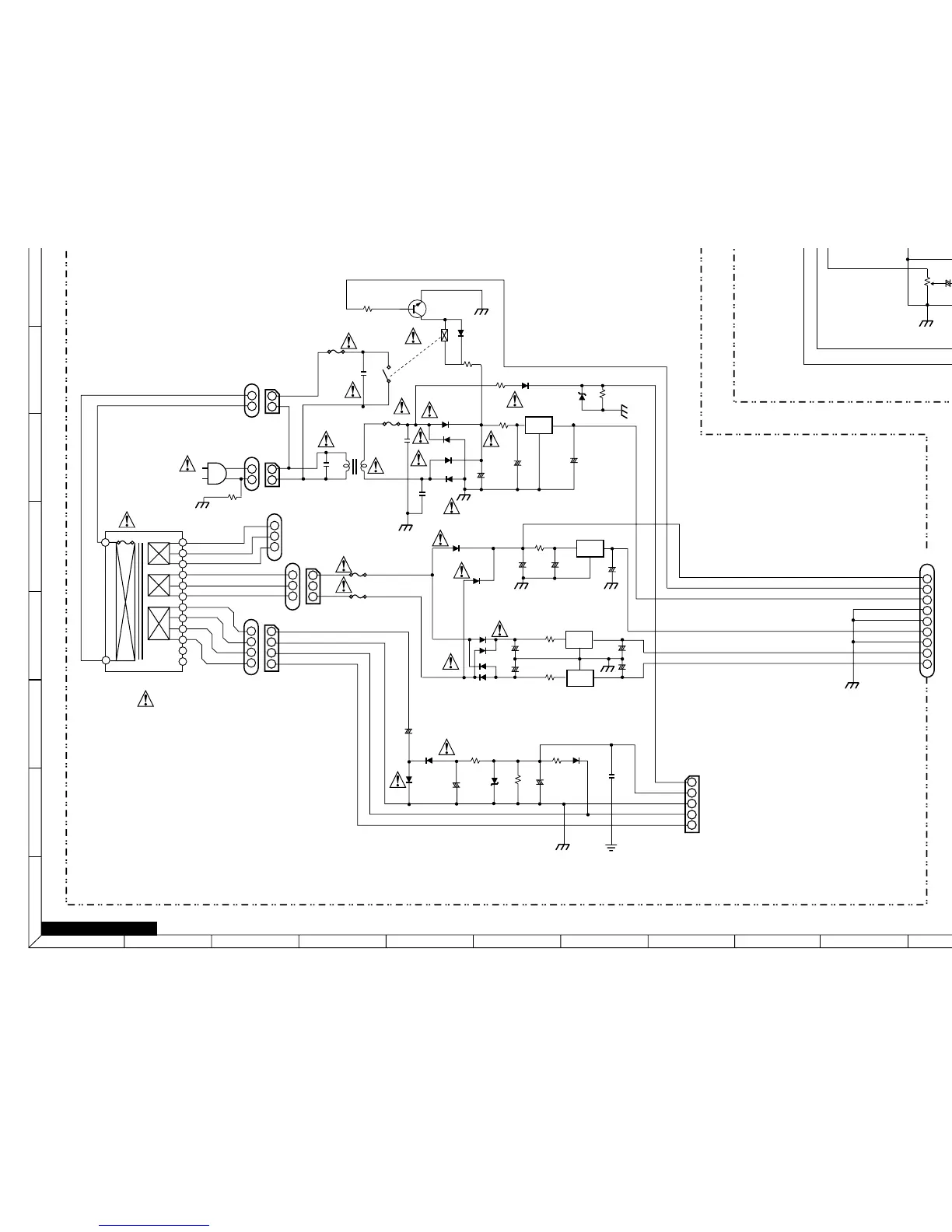
THER. FUSE
POWER TRANSFORMER
POWER SUPPLY PART
TO CONTROL
T
O
TO CPU
R40
1K
4.5V
0V
0V
Q7
KTC3198
RY1B
D11
1N4148
RY1A
C35
472P/400V
R3B
10/1W
D7
1N4148
R44
1K
D4
1N4148
R45
1K
C26
22/16
C25
22/16
12V
6V
IC5
7B06
5.1B
DZ3
R39
10/1W
C36
470/25V
SUB
TRANS
TRAN 1
C88
0.1/275V
C32
100000P
FU3
315MA/250V
C33
100000P
D10
1N4002L
D8
1N4002L
D9
1N4002L
CN99
WA3
WA4
CN100
CN88
CORD1
120V/60Hz
TO WA8
WA5
CN11
R41
3.3M/0.5W
USE ONLY UL
CN77
WA2
VKK
FLT
FU1
1.6A/250V
FU2
1.6A/250V
R42
330
R43
100K
DZ1
27B
D3
1N4002L
C27
47/35V
D19
1N4002L
C39
2200/25V
D2
1N4002L
C28
47/35V
C29
47/35V
DZ2
126
R80
220
C34
0.1u
-25V
-15V
IC7
7915
C42
22/16
D5
1N4002L
IC9
7806
D6
1N4002L
D17
1N4002L
IC6
7815
C41
22
16
15V
25V
20V
20V
R46
10(1W)
R47
10(1W)
C40
2200/25V
D20
1N4002L
D18
1N4002L
WA1
HOLD 5V
-27V
G
AC 5V
AC 5V
CN11
+24V
POWER RELAY
GROUND CPU 5V
G
G
IC VCC
G
+ 15V
- 15V
6V
24V
C31
220/25
R81
10 1W
C78
10/50
C79
22/16
FU4
5A/250V
1
1
3
2
VR1D
50KA
C
5
4.7
/
R
4
7
4
7
JSR-400 PAGE 44-3of4

Related product manuals