EasyManua.ls Logo

JBL JSR-400 - Page 66

JBL JSR-400
67 pages
Print Icon
To Next Page IconTo Next Page
To Next Page IconTo Next Page
To Previous Page IconTo Previous Page
To Previous Page IconTo Previous Page
Loading...
H
G
F
F
G
H
ED
C
BA
AB
C
DE
I
I
1
ANT1
FM
AM
1
2
FM
FM
+
+
+
+
+
+
+
+
+
JSR-40
0
1
2
3
4
5
6
7
8
9
10
12
11
R3
0
10
FM ADJ.
C322
0.15u
D303
1N4148
C316 0.022u
R308
2.2K
R314
22K
10K
VR302
C312
0.022u
C2
1
3.3/
5
C313
10/16
R305
10K
VR301
10K
R441
22 1/4
L202
3.3uH
R556 470
R557 470
R558 470
C204
22p
C203
22p
X2
7.2MHz
IC2 LM7001
9
10
11
12
13
14
15
16
8
7
6
5
4
3
2
1
R444
10K
C441
0.47/50
C437
0.022u
B02
12V
B01
DATA
CL
CE
XIN
2.2V
XOUT
2.2V
B03
0.4V
AM IN
1V
FM IN
1V
5.6K
VDD
5.6K
2.5V
PD
2.5V
GND
C302 0.022u
C104
0.022u
C103
47/16
R14
100 1/4
R417
220
1/4
R203
3.3K
Q202
2SK-246Y
ZD401
MTZJ5.6B
C422
0.022u
C421
47/16
R206
330
R207
220
Q201
KTC3200
R205
330
R204
220
R202
1K
C202
1/50
R201
10K
D1 1N4148
D2 1N4148
T1
AM ANT
CT1 20p
C438 STY470p
C39
0.01u
CT2 20p
VC2 SVC321
VC1
SVC321
5
4
8
R100
100 1/4
R564
330
R301
47K
R302
47K
C450
0.022u
PACK1
ANT
ANT
FM FRONT END
IF OUT
GND
B+
GND
OSC
VT
7
3
6
C452
0.1u
47(1/4)
R565
C428
47/50
R101
100
Q103
KRA101M
T6
AM OSC
R102
1.2K
F101
10.7MHz
R103
2.2K
R107
3.9K
Q101
KTC3192
R104
330
R105
120
R106
390
R562
220
F102
10.7MHz
Q102
KTC3192
C434
0.022u
C436
0.022u
R333
330
Q302
KRA101M
R318
220 1/4
C318
0.022u
C317
47/16
R313
56
F3
LZU450C4N
12
13
14
15
16
11
10
9
8
7
LA1
I
C
AM OUT
15V
0.7V
SD.ADJ
2.2V
2.2V
AGC
1.5V
1.2V
FM OUT
4.7V
4.2V
TU-IND
0V
VCC
7.8V
C201
0.001u
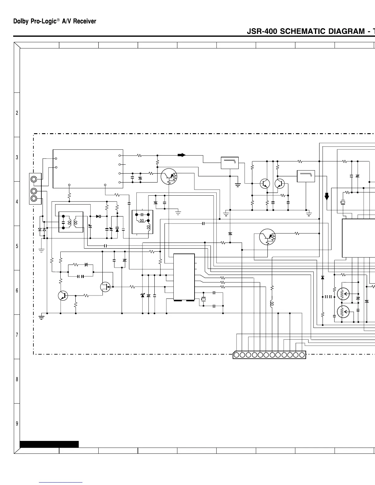
JSR-400 PAGE 45 - 1 of 2

Related product manuals